Конические редукторы KR202 и KR203 13 об/мин ... 60 об/мин
13 об/мин ... 60 об/мин
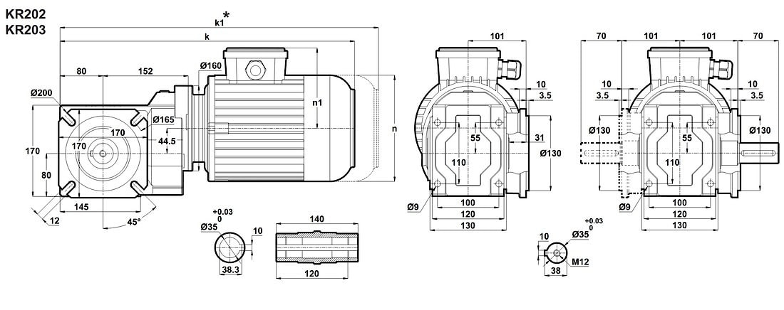
Конические мотор-редукторы KR202 и KR203Условное обозначение
Каталог K-series
| Обороты на выходном валу | Крутящий момент на выходном валу | Передаточное число | Радиальные нагрузки на выходной вал | Сервис фактор | Тип редуктора | Масса |
| n2 (об/мин-1) | M2 (Нм) | i | Fr (Н) | fs | m (кг) | |
| 13 | 365 | 104,49 | 3564 | 0,8 | KR203-80/4a | 20 |
| 14 | 342 | 98,01 | 5035 | 0,8 | ||
| 17 | 291 | 83,32 | 6876 | 1,0 | ||
| 19 | 253 | 72,37 | 6800 | 1,1 | ||
| 22 | 222 | 63,33 | 6698 | 1,3 | ||
| 27 | 183 | 52,37 | 6516 | 1,5 | ||
| 32 | 159 | 43,67 | 6311 | 1,8 | ||
| 38 | 129 | 36,61 | 6093 | 2,2 | ||
| 44 | 111 | 31,55 | 5900 | 2,5 | ||
| 53 | 93 | 26,31 | 5656 | 2,9 | ||
| 59 | 84 | 23,79 | 5543 | 3,3 | KR202-80/4a | 19 |

Вернуться к выбору мощностей
Если вы хотите купить конические редукторы KR202 и KR203 , вы можете:
Позвонить:
Российская Федерация
+7 (495) 369-04-89
+7 (910) 726-725-4 (МТС) Смоленск
info@tech-privod.com
Республика Беларусь
+375 17 272-04-08 (т/ф) Минск
+375 29 61-787-61 (A1) Минск
+7 (495) 369-04-89
+7 (910) 726-725-4 (МТС) Смоленск
info@tech-privod.com
Республика Беларусь
+375 17 272-04-08 (т/ф) Минск
+375 29 61-787-61 (A1) Минск
