Конические редукторы KR473 6,0 об/мин... 13 об/мин
6,0 об/мин... 13 об/мин
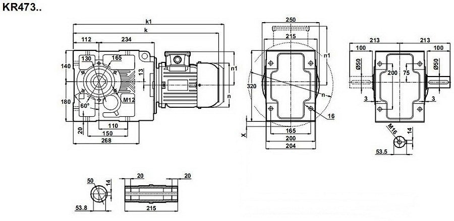
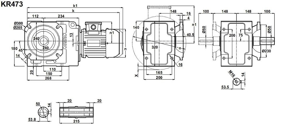
Редуктор с использованием конической ступени в жесткой сцепке с электромотором 0,55KW переменного тока одно- и трех- фазный (200V, 380V), четырех- и шести- полюсные (0,55/1500, 0,55/1000) - представляет собой коническо-цилиндрический мотор-редуктор KR473-80/4a и KR473-80/6b.Привод вполне допускает использование и электродвигателей с отличными конфигурациями полюсности (0,55/750, 0,55/3000).
Предлагается тихоходные версии привода скорость оборотов на выходе от 5,9 об/мин - 13 об/мин.
Вращающие моменты: 415Nm - 900Nm.
Условное обозначение
Каталог K-series
| Обороты на выходном валу | Крутящий момент на выходном валу | Передаточное число | Радиальные нагрузки на выходной вал | Сервис фактор | Тип редуктора | Масса |
| n2 (об/мин-1) | M2 (Нм) | i | Fr (Н) | fs | m (кг) | |
| 5,9 | 896 | 153,47 | 20605 | 1,7 | KR473-80/6b | 91 |
| 6,6 | 794 | 135,98 | 21190 | 2,0 | ||
| 8,1 | 646 | 110,65 | 21967 | 2,4 | ||
| 9,1 | 576 | 153,47 | 22306 | 2,7 | KR473-80/4a | 90 |
| 10 | 510 | 135,98 | 22613 | 3,0 | ||
| 13 | 415 | 110,65 | 23006 | 3,7 |


Вернуться к выбору мощностей
Мотор-редуктор KR473 - полный аналог мотор-редуктора B103 (от Motovario (Италия)) КТМ53 (Tos-Znojmo (Чехия) МВН100 (Siti (Италия) мотор-редукторов SK9032.1 , SK9032.1 VF , SK9032/1 AZ (NORD (Германия), можно рассматривать как технический аналог мотор-редукторов марок RMI150, RMI150FL , WMI150 (выпускаемых STM (Италия) , MRT150A , MRT150A-FT , MRT150-FF (производство Tos Znojmo (Чехия) , MI150 и MI150-F (произведенных Siti (Италия), MRS150 , MRT150 , SRS150 , SRT150 , 7МЧ-М-150 (производства Varvel (Италия)/Приводная техника (Россия)), мотор-редукторов VF150, А502 и А503 (Bonfiglioli (Италия)).
Редуктор КТ473 можно использовать как технический аналог редуктору КЦ1-250 (российского производства) , привода ВН100 ( произведенных под маркой Siti (Италия)).
Если вы хотите купить конические редукторы KR473 , вы можете:
Позвонить:
Российская Федерация
+7 (495) 369-04-89
+7 (910) 726-725-4 (МТС) Смоленск
info@tech-privod.com
Республика Беларусь
+375 17 272-04-08 (т/ф) Минск
+375 29 61-787-61 (A1) Минск
+7 (495) 369-04-89
+7 (910) 726-725-4 (МТС) Смоленск
info@tech-privod.com
Республика Беларусь
+375 17 272-04-08 (т/ф) Минск
+375 29 61-787-61 (A1) Минск
