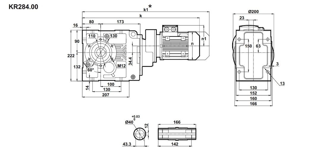
Конический редуктор KR284
 Конический редуктор KR284
   Конический редуктор KR284 6,6 об/мин ... 7,7 об/мин
Условное обозначение
Каталог K-series
| Обороты на выходном валу | Крутящий момент на выходном валу | Передаточное число | Радиальные нагрузки на выходной вал | Сервис фактор | Тип редуктора | Масса | 
| n2 (об/мин-1) | M2 (Нм) | i | Fr (Н) | fs | m (кг) | |
| 6,6 | 724 | 220,43 | 15122 | 0,8 | KR284-80/4a | 51 | 
| 7,8 | 610 | 185,40 | 15962 | 1,0 | 

Если вы хотите купить конический редуктор KR284  , вы можете:
 Позвонить: 
Российская Федерация
+7 (495) 369-04-89
+7 (910) 726-725-4 (МТС) Смоленск
info@tech-privod.com
Республика Беларусь
+375 17 272-04-08 (т/ф) Минск
+375 29 61-787-61 (A1) Минск
+7 (495) 369-04-89
+7 (910) 726-725-4 (МТС) Смоленск
info@tech-privod.com
Республика Беларусь
+375 17 272-04-08 (т/ф) Минск
+375 29 61-787-61 (A1) Минск

 
 
 
 
 
 
 
 
 
 
 
