Червячный редуктор EV100 Номинальная мощность - 0,75 кВт Выходные обороты: 15 об/мин ... 30 об/мин
Номинальная мощность - 0,75 кВт
Выходные обороты: 15 об/мин ... 30 об/мин

Мотор-редуктор отлично справляется с различными эксплуатационными режимами: частые изменения входной скорости (т.е частотное регулирование), кратковременные паузы, переключения реверса и др.
Гарантия - 24 месяца.
Сервис-фактор (fs)
Монтажные исполнения
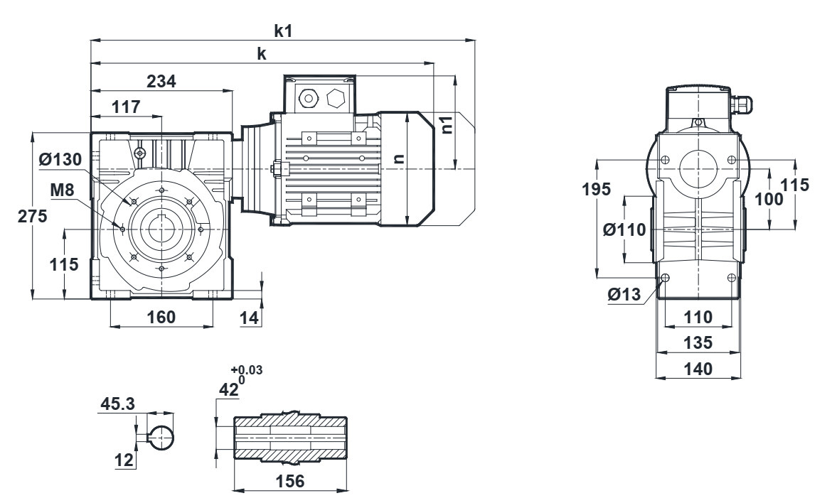
Исполнение с реактивной штангой
Специальные диаметры валов
Выходные фланцы
Условное обозначение
Каталог E-series
3D модель мотор-редуктора (*. igs)
Обороты на выходном валу | Крутящий момент на выходном валу | Передаточное число | Радиальные нагрузки на выходной вал | Сервис фактор | Тип редуктора | Масса |
n2 (об/мин-1) | M2 (Нм) | i | Fr (Н) | fs | m (кг) | |
11 | 378 | 82 | 7920 | 0,9 | EV100-90S/6 | 43,1 |
14 | 311 | 63 | 8200 | 1,6 | ||
17 | 273 | 52 | 8200 | 1,7 | ||
23 | 223 | 40 | 8200 | 2,3 | ||
30 | 179 | 30 | 8200 | 3,3 |

Вернуться к выбору мощностей
Червячный мотор-редуктор EV100 - можно рассматривать как: полный аналог червячных редукторов брэндов Motovario (Италия) , Transtecno (Италия) , Innovari (Италия) , Siti (Италия) , STM Spa (Италия) , PGR (Турция) , Tramec (Италия), а также моделей NMRV и RV (многочисленных китайских производителей).
Червячный мотор-редуктор EV100 - можно рассматривать как: технический аналог червячных редукторов таких брэндов , как Bonfiglioli (Италия) , Watt drive (Австрия) , Varvel (Италия) , Nord Getriebebau DriveSystems (Германия) , Sew Eurodrive (Германия) , Bauer Gearmotors (Германия) , Tos-Znojmo (Чехия) .
Червячный редуктор ET100 можно рассматривать как технический аналог: червячных редукторов (производства российских и украинских заводов), червячных редукторов NRV (производства многочисленных китайских производителей).
Если вы хотите купить червячный редуктор EV100 , вы можете:
Позвонить:
Российская Федерация
+7 (495) 369-04-89
+7 (910) 726-725-4 (МТС) Смоленск
info@tech-privod.com
Республика Беларусь
+375 17 272-04-08 (т/ф) Минск
+375 29 61-787-61 (A1) Минск
+7 (495) 369-04-89
+7 (910) 726-725-4 (МТС) Смоленск
info@tech-privod.com
Республика Беларусь
+375 17 272-04-08 (т/ф) Минск
+375 29 61-787-61 (A1) Минск
Рекомендуем
Ещё из раздела Червячный мотор-редуктор — 0,75кВт

Червячный редуктор EV050
Номинальная мощность - 0,75 кВт
Выходные обороты: 100 об/мин ... 200 об/мин
Одноступенчатый червячный мотор-редуктор (редуктор) EV050-80/4b представляет собой зубчатую передачу с червячным зацеплением в сборе с электродвигателем мощностью 0,75 кВт. Выходные обороты для данного габарита находятся в пределах от 100 об/мин до ...