Червячный редуктор EV075 Номинальная мощность - 0,75 кВт Выходные обороты: 20 об/мин ... 100 об/мин
Номинальная мощность - 0,75 кВт
Выходные обороты: 20 об/мин ... 100 об/мин

Передаваемый крутящий момент составляет 100 Nm ... 150 Nm (в зависимости от передаточного числа).
Облегченная трансмиссия обще промышленного назначения, очень удобная при монтаже, компактная, адаптированная к различным эксплуатационным случаям.
Следует отметить, богатый набор крепежных элементов предлагаемый производителем (см дополнения).
Гарантийный срок - 24 месяца.
Сервис-фактор (fs)
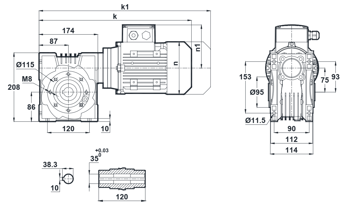
Монтажные исполнения
Исполнение с реактивной штангой
Специальные диаметры валов
Выходные фланцы
Условное обозначение
Каталог E-series
Обороты на выходном валу | Крутящий момент на выходном валу | Передаточное число | Радиальные нагрузки на выходной вал | Сервис фактор | Тип редуктора | Масса |
n2 (об/мин-1) | M2 (Нм) | i | Fr (Н) | fs | m (кг) | |
18 | 241 | 80 | 6062 | 0,8 | EV075-80/4b | 19 |
23 | 187 | 60 | 5800 | 1,0 | ||
28 | 174 | 50 | 5606 | 1,2 | ||
35 | 147 | 40 | 5348 | 1,4 | ||
47 | 114 | 30 | 5556 | 1,9 | ||
56 | 100 | 25 | 5332 | 2,1 | ||
70 | 83 | 20 | 5529 | 2,5 | ||
93 | 64 | 15 | 5570 | 3,2 |

Вернуться к выбору мощностей
Червячный мотор-редуктор EV075 - можно рассматривать как: полный аналог червячных редукторов брэндов Motovario (Италия) , Transtecno (Италия) , Innovari (Италия) , Siti (Италия) , STM Spa (Италия) , PGR (Турция) , Tramec (Италия), а также моделей NMRV и RV (многочисленных китайских производителей).
Червячный мотор-редуктор EV075 - можно рассматривать как: технический аналог червячных редукторов таких брэндов , как Bonfiglioli (Италия) , Watt drive (Австрия) , Varvel (Италия) , Nord Getriebebau DriveSystems (Германия) , Sew Eurodrive (Германия) , Bauer Gearmotors (Германия) , Tos-Znojmo (Чехия) .
Червячный редуктор ET075 можно рассматривать как технический аналог: червячных редукторов (производства российских и украинских заводов), червячных редукторов NRV (производства многочисленных китайских производителей).
Если вы хотите купить червячный редуктор EV075 , вы можете:
Позвонить:
Российская Федерация
+7 (495) 369-04-89
+7 (910) 726-725-4 (МТС) Смоленск
info@tech-privod.com
Республика Беларусь
+375 17 272-04-08 (т/ф) Минск
+375 29 61-787-61 (A1) Минск
+7 (495) 369-04-89
+7 (910) 726-725-4 (МТС) Смоленск
info@tech-privod.com
Республика Беларусь
+375 17 272-04-08 (т/ф) Минск
+375 29 61-787-61 (A1) Минск
Рекомендуем
Ещё из раздела Червячный мотор-редуктор — 0,75кВт

Червячный редуктор EV050
Номинальная мощность - 0,75 кВт
Выходные обороты: 100 об/мин ... 200 об/мин
Одноступенчатый червячный мотор-редуктор (редуктор) EV050-80/4b представляет собой зубчатую передачу с червячным зацеплением в сборе с электродвигателем мощностью 0,75 кВт. Выходные обороты для данного габарита находятся в пределах от 100 об/мин до ...