Червячный редуктор EV125-E063 Номинальная мощность - 0,75 кВт Выходные обороты: 3,0 об/мин ... 8,0 об/мин
Номинальная мощность - 0,75 кВт
Выходные обороты: 3,0 об/мин ... 8,0 об/мин

Рекомендуемые передаточные числа для данного типоразмера i=180 и выше.
В дополнение мотор-редуктор предлагается с различными монтажно-присоединительными элементами: возможно изготовление специальных диаметров полых валов, одно и двухсторонних полнотелых выходных валов, доступны целый ряд крепежных фланцев с нестандартными размерами, реактивных штанг и прочее (см. дополнения).
Вариативность пространственного расположения, низкая шумность, самоторможение, не высокая цена - безусловные преимущества мотор-редуктора EV125-E063.
Сервис-фактор (fs)
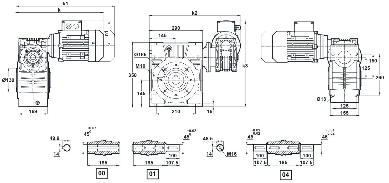
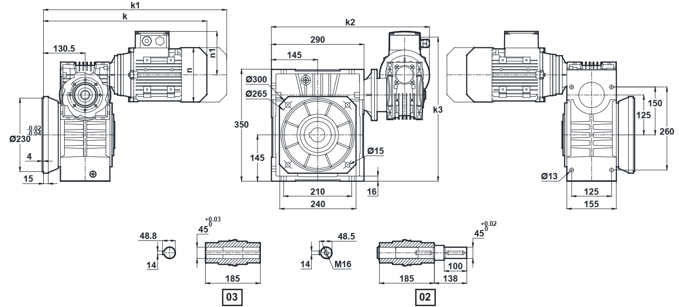
Монтажные исполнения
Исполнение с реактивной штангой
Специальные диаметры валов
Выходные фланцы
Условное обозначение
Каталог E-series
Обороты на выходном валу | Крутящий момент на выходном валу | Передаточное число | Радиальные нагрузки на выходной вал | Сервис фактор | Тип редуктора | Масса |
n2 (об/мин-1) | M2 (Нм) | i | Fr (Н) | fs | m (кг) | |
2,5 | 1244 | 565,5 | 8200 | 0,9 | EV125-E063-80/4b | 77,3 |
3,3 | 968 | 420,5 | 8200 | 1,1 | ||
3,8 | 927 | 369,75 | 8200 | 1,2 | ||
5,0 | 1018 | 282,75 | 8200 | 1,5 | ||
6,7 | 645 | 210,25 | 8200 | 1,9 | ||
7,6 | 586 | 184 ,88 | 8200 | 2,0 |


Вернуться к выбору мощностей
Червячный мотор-редуктор EV125-E063 - можно рассматривать как: полный аналог червячных редукторов брэндов Motovario (Италия) , Transtecno (Италия) , Innovari (Италия) , Siti (Италия) , STM Spa (Италия) , PGR (Турция) , Tramec (Италия), а также моделей NMRV и RV (многочисленных китайских производителей).
Червячный мотор-редуктор EV125-E063 - можно рассматривать как: технический аналог червячных редукторов таких брэндов , как Bonfiglioli (Италия) , Watt drive (Австрия) , Varvel (Италия) , Nord Getriebebau DriveSystems (Германия) , Sew Eurodrive (Германия) , Bauer Gearmotors (Германия) , Tos-Znojmo (Чехия) .
Червячный редуктор ET125-E063 можно рассматривать как технический аналог: червячных редукторов (производства российских и украинских заводов), червячных редукторов NRV (производства многочисленных китайских производителей).
Если вы хотите купить червячный редуктор EV125-E063 , вы можете:
Позвонить:
Российская Федерация
+7 (495) 369-04-89
+7 (910) 726-725-4 (МТС) Смоленск
info@tech-privod.com
Республика Беларусь
+375 17 272-04-08 (т/ф) Минск
+375 29 61-787-61 (A1) Минск
+7 (495) 369-04-89
+7 (910) 726-725-4 (МТС) Смоленск
info@tech-privod.com
Республика Беларусь
+375 17 272-04-08 (т/ф) Минск
+375 29 61-787-61 (A1) Минск
Рекомендуем
Ещё из раздела Червячный мотор-редуктор — 0,75кВт

Червячный редуктор EV050
Номинальная мощность - 0,75 кВт
Выходные обороты: 100 об/мин ... 200 об/мин
Одноступенчатый червячный мотор-редуктор (редуктор) EV050-80/4b представляет собой зубчатую передачу с червячным зацеплением в сборе с электродвигателем мощностью 0,75 кВт. Выходные обороты для данного габарита находятся в пределах от 100 об/мин до ...