Червячный редуктор EV100 Номинальная мощность - 0,55кВт Выходные обороты: 8,0 об/мин ... 20 об/мин
Номинальная мощность - 0,55кВт
Выходные обороты: 8,0 об/мин ... 20 об/мин

Номинальный крутящий момент - 400 Нм.
Для использования привода в прерывистых и кратковременных режимах эксплуатации рекомендуемый сервис-фактор свыше 2,0.
Гарантия - 2 года.
Сервис-фактор (fs)
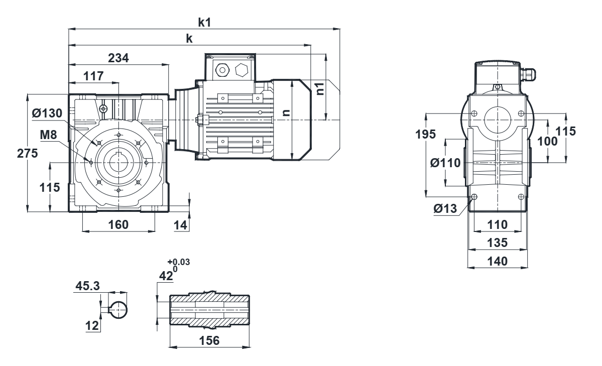
Монтажные исполнения
Исполнение с реактивной штангой
Специальные диаметры валов
Выходные фланцы
Условное обозначение
Каталог E-series
3D модель мотор редуктора (*.sat)
Обороты на выходном валу | Крутящий момент на выходном валу | Передаточное число | Радиальные нагрузки на выходной вал | Сервис фактор | Тип редуктора | Масса |
n2 (об/мин-1) | M2 (Нм) | i | Fr (Н) | fs | m (кг) | |
8,4 | 331 | 107 | 8199 | 0,7 | EV100-80/6b | 41,2 |
11 | 278 | 82 | 8200 | 1,2 | ||
14 | 228 | 63 | 8200 | 2,2 | ||
17 | 200 | 52 | 8200 | 2,3 | ||
23 | 163 | 40 | 8200 | 3,2 |

Вернуться к выбору мощностей
Червячный мотор-редуктор EV100 - можно рассматривать как: полный аналог червячных редукторов брэндов Motovario (Италия) , Transtecno (Италия) , Innovari (Италия) , Siti (Италия) , STM Spa (Италия) , PGR (Турция) , Tramec (Италия), а также моделей NMRV и RV (многочисленных китайских производителей).
Червячный мотор-редуктор EV100 - можно рассматривать как: технический аналог червячных редукторов таких брэндов , как Bonfiglioli (Италия) , Watt drive (Австрия) , Varvel (Италия) , Nord Getriebebau DriveSystems (Германия) , Sew Eurodrive (Германия) , Bauer Gearmotors (Германия) , Tos-Znojmo (Чехия) .
Червячный редуктор ET100 можно рассматривать как технический аналог: червячных редукторов (производства российских и украинских заводов), червячных редукторов NRV (производства многочисленных китайских производителей).
Если вы хотите купить червячный редуктор EV100 , вы можете:
Позвонить:
Российская Федерация
+7 (495) 369-04-89
+7 (910) 726-725-4 (МТС) Смоленск
info@tech-privod.com
Республика Беларусь
+375 17 272-04-08 (т/ф) Минск
+375 29 61-787-61 (A1) Минск
+7 (495) 369-04-89
+7 (910) 726-725-4 (МТС) Смоленск
info@tech-privod.com
Республика Беларусь
+375 17 272-04-08 (т/ф) Минск
+375 29 61-787-61 (A1) Минск