Червячный редуктор EV100-E050 Номинальная мощность - 0,55кВт Выходные обороты: 5,0 об/мин ... 8,0 об/мин
Номинальная мощность - 0,55кВт
Выходные обороты: 5,0 об/мин ... 8,0 об/мин

Крутящий момент достигает до 700 Нм (в зависимости от используемого передаточного числа).
Наиболее рациональные передаточные числа для данного габарита i=180 ... i=400.
Мотор-редуктор обладает модернизированной системой охлаждения, в корпусах редукторных частей присутствуют технологические горловины для своевременного контроля и смены смазки, также предлагается различные крепежно-присоединительные принадлежности (см. дополнения).
Сервис-фактор (fs)
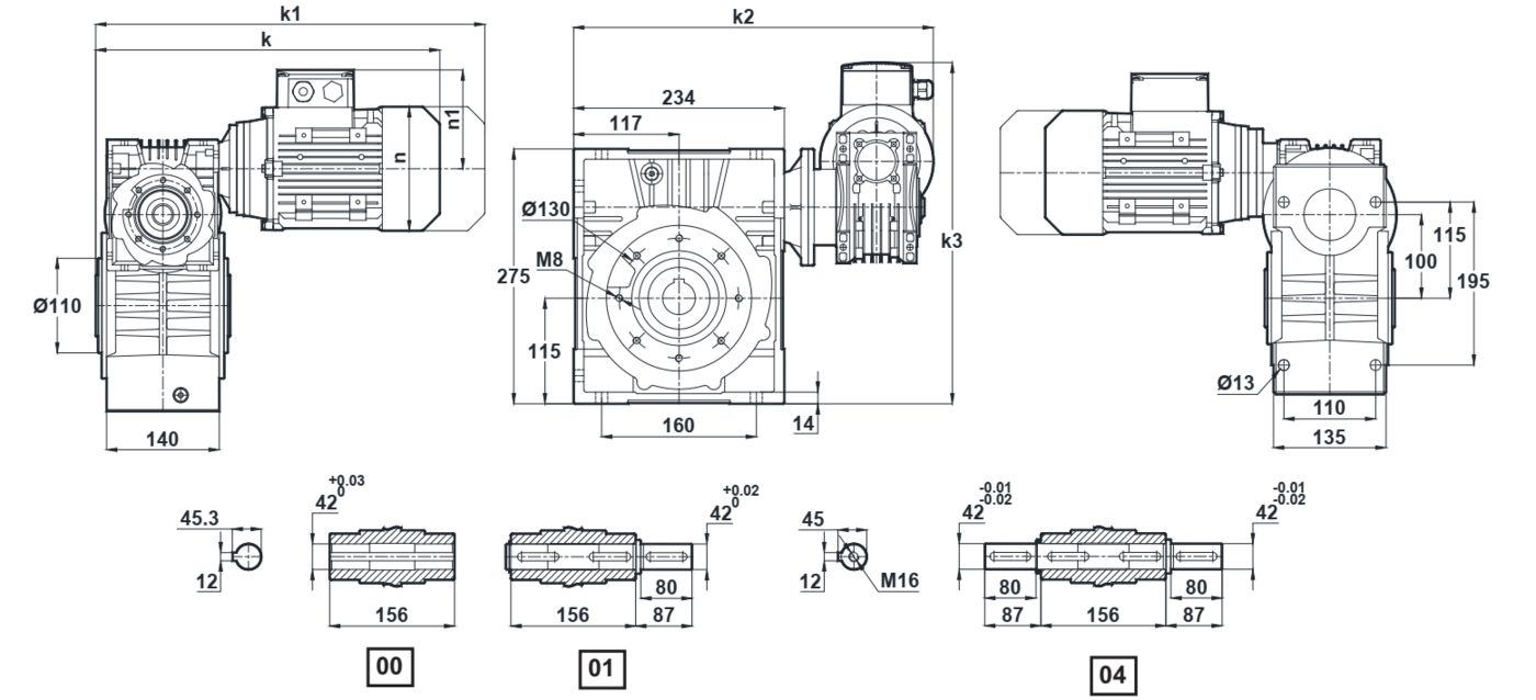
Монтажные исполнения
Исполнение с реактивной штангой
Специальные диаметры валов
Выходные фланцы
Условное обозначение
Каталог E-series
Обороты на выходном валу | Крутящий момент на выходном валу | Передаточное число | Радиальные нагрузки на выходной вал | Сервис фактор | Тип редуктора | Масса |
n2 (об/мин-1) | M2 (Нм) | i | Fr (Н) | fs | m (кг) | |
3,2 | 734 | 435 | 8200 | 0,8 | EV100-E050-80/4a | 43,4 |
3,7 | 675 | 375 | 8200 | 0,9 | ||
4,9 | 503 | 285 | 8200 | 1,2 | ||
6,4 | 424 | 217,5 | 8200 | 1,4 | ||
7,8 | 398 | 180 | 8200 | 1,6 |


Вернуться к выбору мощностей
Червячный мотор-редуктор EV100-E050 - можно рассматривать как: полный аналог червячных редукторов брэндов Motovario (Италия) , Transtecno (Италия) , Innovari (Италия) , Siti (Италия) , STM Spa (Италия) , PGR (Турция) , Tramec (Италия), а также моделей NMRV и RV (многочисленных китайских производителей).
Червячный мотор-редуктор EV100-E050 - можно рассматривать как: технический аналог червячных редукторов таких брэндов , как Bonfiglioli (Италия) , Watt drive (Австрия) , Varvel (Италия) , Nord Getriebebau DriveSystems (Германия) , Sew Eurodrive (Германия) , Bauer Gearmotors (Германия) , Tos-Znojmo (Чехия) .
Червячный редуктор ET100-E050 можно рассматривать как технический аналог: червячных редукторов (производства российских и украинских заводов), червячных редукторов NRV (производства многочисленных китайских производителей).
Если вы хотите купить червячный редуктор EV100-E050 , вы можете:
Позвонить:
Российская Федерация
+7 (495) 369-04-89
+7 (910) 726-725-4 (МТС) Смоленск
info@tech-privod.com
Республика Беларусь
+375 17 272-04-08 (т/ф) Минск
+375 29 61-787-61 (A1) Минск
+7 (495) 369-04-89
+7 (910) 726-725-4 (МТС) Смоленск
info@tech-privod.com
Республика Беларусь
+375 17 272-04-08 (т/ф) Минск
+375 29 61-787-61 (A1) Минск