Электродвигатель АИР90L6 и А90L6 (1.5кВт) 1000 об/мин
1000 об/мин

Электрические параметры:
Номинальная мощность – 1500Вт
Фактические обороты выходного вала – 940 об/мин;
КПД – 76.0%;
Номинальный ток – 4.2А (при 380В);
Пусковой ток – 18.9 А;
Номинальный крутящий момент – 11.58Nm;
Пусковой момент - 27.80Nm;
Максимальный момент –27.80Nm;
Момент инерции – 0,0058кгм2;
Масса – 19 кг;
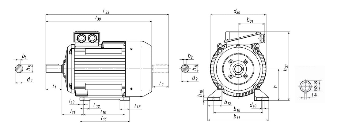
- Присоединительные размеры, исполнение на лапах (IM1081, IM1001, B3):

l30 | l33 | h31 | d30 | l1 | l2 | l10 | l11 | l12 | l13 | l31 | d1 | d2 | d10 | b1 | b2 | b10 | b11 | b12 | b31 | h | h5 | h6 | h10 | |
90L6 | 376 | 420 | 217 | 175 | 50 | 40 | 125 | 155 | 32 | 15 | 56 | 24 | 19 | 10 | 8 | 6 | 140 | 172 | 36 | 75 | 90 | 27 | 21.5 | 10 |
- Присоединительные размеры, комбинированное (фланцевое/на лапах) исполнение (IM2081, IM2001, B35):

l30 | l33 | h31 | d30 | l1 | l10 | l12 | l30 | l31 | d1 | d2 | d10 | d20 | d22 | d25 | b1 | b2 | b10 | b12 | h | h5 | h6 | h10 | |
90L6 | 376 | 420 | 217 | 250 | 50 | 125 | 32 | 0 | 56 | 24 | 19 | 10 | 215 | 14 | 180 | 8 | 6 | 140 | 36 | 90 | 27 | 21.5 | 10 |
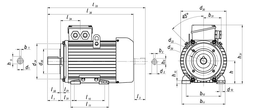
- Присоединительные размеры фланцевое исполнение (IM3081, IM3001, B5):

l30 | l33 | h37 | d24 | l1 | l2 | L20 | l21 | l39 | d1 | d2 | d20 | d22 | d25 | b1 | b2 | b31 | h5 | h6 | n | α | |
90L6 | 376 | 420 | 127 | 250 | 50 | 40 | 3.5 | 14 | 0 | 24 | 19 | 215 | 14 | 180 | 8 | 6 | 75 | 27 | 21.5 | 4 | 450 |
- Присоединительные размеры исполнение c малым фланцем (IM3681, IM3001, B14):

l30 | l33 | h31 | d30 | l1 | l2 | l10 | l11 | l20 | l21 | l31 | l34 | d1 | d10 | d20 | d22 | d24 | d26 | b1 | b10 | b11 | h | h5 | h10 | |
90L6 FT115 | 350 | 392 | 217 | 175 | 50 | 40 | 125 | 155 | 3.0 | 16 | 56 | 82 | 24 | 10 | 115 | M8 | 140 | 95 | 8 | 140 | 174 | 90 | 27 | 10 |
90L6 FT130 | 350 | 392 | 217 | 175 | 50 | 40 | 125 | 155 | 3.5 | 10 | 56 | 82 | 24 | 10 | 130 | M8 | 160 | 110 | 8 | 140 | 174 | 90 | 27 | 10 |
Если вы хотите купить электродвигатель АИР90L6 и А90L6 (1.5кВт) , вы можете:
Позвонить:
Российская Федерация
+7 (495) 369-04-89
+7 (910) 726-725-4 (МТС) Смоленск
info@tech-privod.com
Республика Беларусь
+375 17 272-04-08 (т/ф) Минск
+375 29 61-787-61 (A1) Минск
+7 (495) 369-04-89
+7 (910) 726-725-4 (МТС) Смоленск
info@tech-privod.com
Республика Беларусь
+375 17 272-04-08 (т/ф) Минск
+375 29 61-787-61 (A1) Минск