Цилиндрический редуктор DR282 80 об/мин … 700 об/мин
80 об/мин … 700 об/мин
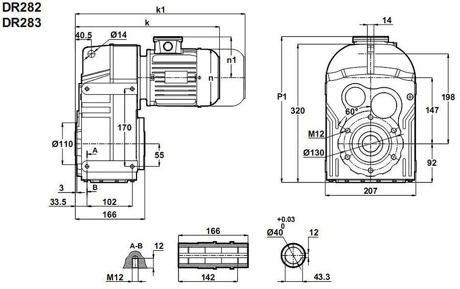
Промышленный универсальный редуктор DR282-112M/2 и DR282-112M/4 - цилиндрическая зубчатая передача с с выходом - параллельной осью.Трансмиссионные варианты предлагаются на выбор: 1/3,9 ; 1/4,5 ; 1/5,2 ; 1/5,7 ; 1/6,6 ; 1/7,0 ; 1/8,2 ; 1/9,4 ; 1/10 ; 1/12 ; 1/14 ; 1/16,5 ; 1/18,7 .
Подключаемый электро мотор - номинальной мощностью - 4,0 кВт.
Передаваемые усилия на выходном валу: 70 Нм - 500 Нм.
Гарантия на продукт - 24 месяца.
Условное обозначение
Каталог D-series
| Обороты на выходном валу | Крутящий момент на выходном валу | Передаточное число | Радиальные нагрузки на выходной вал | Сервис фактор | Тип редуктора | Масса |
| n2 (об/мин-1) | M2 (Нм) | i | Fr (Н) | fs | m (кг) | |
| 75 | 491 | 18,73 | 11190 | 1,2 | DR282-112M/4 | 47 |
| 84 | 437 | 16,62 | 12251 | 1,3 | ||
| 100 | 370 | 14,06 | 13413 | 1,4 | ||
| 116 | 317 | 12,03 | 14212 | 1,5 | ||
| 135 | 274 | 10,38 | 14768 | 1,7 | ||
| 148 | 249 | 9,45 | 15085 | 1,8 | ||
| 171 | 216 | 8,19 | 15311 | 1,9 | ||
| 197 | 187 | 7,09 | 14763 | 2,0 | ||
| 211 | 175 | 6,65 | 14438 | 1,9 | ||
| 244 | 151 | 5,74 | 13904 | 2,1 | ||
| 268 | 138 | 5,22 | 13566 | 2,2 | ||
| 310 | 119 | 4,52 | 13064 | 2,3 | ||
| 358 | 103 | 3,92 | 12571 | 2,5 | ||
| 395 | 94 | 7,09 | 12280 | 3,3 | DR282-112M/2 | 43 |
| 421 | 88 | 6,65 | 12024 | 3,1 | ||
| 488 | 76 | 5,74 | 11548 | 3,4 | ||
| 537 | 69 | 5,22 | 11250 | 3,5 | ||
| 619 | 60 | 4,52 | 10811 | 3,8 | ||
| 715 | 52 | 3,92 | 10383 | 4,1 |

Вернуться к выбору мощностей
Мотор редуктор DR282 можно использовать как технический аналог мотор редукторов F312, F 312, F3 1 2 (выпускаемых Bonfiglioli /Италия).
Если вы хотите купить цилиндрический редуктор DR282 , вы можете:
Позвонить:
Российская Федерация
+7 (495) 369-04-89
+7 (910) 726-725-4 (МТС) Смоленск
info@tech-privod.com
Республика Беларусь
+375 17 272-04-08 (т/ф) Минск
+375 29 61-787-61 (A1) Минск
+7 (495) 369-04-89
+7 (910) 726-725-4 (МТС) Смоленск
info@tech-privod.com
Республика Беларусь
+375 17 272-04-08 (т/ф) Минск
+375 29 61-787-61 (A1) Минск
