Цилиндрический редуктор DR573 15 об/мин ... 35 об/мин
15 об/мин ... 35 об/мин
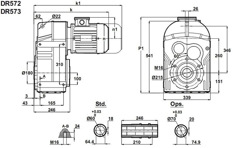
Трансмиссионный трех ступенчатый механический агрегат DR573-112M/4 - обще промышленный мотор-редуктор с цилиндрическим косо зубым зацеплением с выходом с параллельным валом.Рекомендованный мотор: 4 кВт в четырех полюсной конфигурации.
Вращательный момент: 1000Нм - 2500Нм.
Номинальные передаточные числа: i= 40, i=45 , i=50 , i= 60 , i= 70 , i=80 , i=90 , i= 105 , i= 125 .
Гарантийные обязательства - 2 года.
Условное обозначение
Каталог D-series
| Обороты на выходном валу | Крутящий момент на выходном валу | Передаточное число | Радиальные нагрузки на выходной вал | Сервис фактор | Тип редуктора | Масса |
| n2 (об/мин-1) | M2 (Нм) | i | Fr (Н) | fs | m (кг) | |
| 11 | 3250 | 126,06 | 18428 | 0,9 | DR573-112M/4 | 177 |
| 14 | 2667 | 103,39 | 26224 | 1,1 | ||
| 15 | 2358 | 91,30 | 29278 | 1,3 | ||
| 17 | 2098 | 81,15 | 31469 | 1,4 | ||
| 20 | 1777 | 68,64 | 33940 | 1,7 | ||
| 23 | 1584 | 61,12 | 35226 | 1,9 | ||
| 28 | 1300 | 50,13 | 37004 | 2,3 | ||
| 32 | 1150 | 44,27 | 37853 | 2,6 | ||
| 36 | 1023 | 39,35 | 38980 | 2,8 |

Вернуться к выбору мощностей
Мотор-редуктор DR573 - является полным аналогом мотор-редуктор TNC53 / производства Tos-Znojmo , Чехия ; как технический аналог мотор-редуктор можно рассматривать относительно к моделям MPD125 и MPD125/3 , MPL125 и MPL125/3 / производства Siti , Италия ; S123 / производства Motovario , Италия ;SK5382 /производства Nord , Германия ; F602 и F603 / производства Bonfiglioli , Италия , ZF160B и ZF160C / производства Tramec , Италия .
Редуктор DT573 является аналогом редукторов PD125- , PD125/3 производства Siti / Италия ; ZA160B , ZA160C производства Tramec / Италия .
Если вы хотите купить цилиндрический редуктор DR573 , вы можете:
Позвонить:
Российская Федерация
+7 (495) 369-04-89
+7 (910) 726-725-4 (МТС) Смоленск
info@tech-privod.com
Республика Беларусь
+375 17 272-04-08 (т/ф) Минск
+375 29 61-787-61 (A1) Минск
+7 (495) 369-04-89
+7 (910) 726-725-4 (МТС) Смоленск
info@tech-privod.com
Республика Беларусь
+375 17 272-04-08 (т/ф) Минск
+375 29 61-787-61 (A1) Минск
