Цилиндрический редуктор DR372 и DR373 50 об/мин ... 300 об/мин
50 об/мин ... 300 об/мин
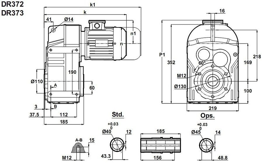
Цилиндрический мотор-редуктор с параллельными осями DR372-112M/4 , DR373-112M/4 - мощное механическое устройство по передачи крутящего момента в промышленных условиях, порядком 150 нм - 700 нм, достигаемого на конце тихоходного приводного вала; эффективная рабочая скорость 44 об/мин - 316 об/мин, скорость быстроходного вала мощно выбирать из: 3000 об/мин , 1500 об/мин , 1000 об/мин, 750 об/мин.Мощность подключаемого двигателя: 4 киловатт.
Гарантия - 24 месяца.
Условное обозначение
Каталог D-series
| Обороты на выходном валу | Крутящий момент на выходном валу | Передаточное число | Радиальные нагрузки на выходной вал | Сервис фактор | Тип редуктора | Масса |
| n2 (об/мин-1) | M2 (Нм) | i | Fr (Н) | fs | m (кг) | |
| 44 | 833 | 32,11 | 13206 | 0,9 | DR373-112M/4 | 87 |
| 51 | 714 | 27,53 | 15060 | 1,0 | ||
| 59 | 613 | 23,58 | 16362 | 1,1 | ||
| 62 | 590 | 22,46 | 14916 | 1,4 | DR372-112M/4 | 81 |
| 70 | 528 | 20,1 | 15550 | 1,6 | ||
| 79 | 464 | 17,65 | 16147 | 1,8 | ||
| 95 | 388 | 14,74 | 16795 | 2,1 | ||
| 103 | 358 | 13,6 | 17037 | 2,3 | ||
| 119 | 310 | 11,77 | 17119 | 2,6 | ||
| 137 | 271 | 10,25 | 16543 | 2,8 | ||
| 156 | 237 | 8,98 | 15996 | 3,0 | ||
| 189 | 196 | 7,42 | 15222 | 3,3 | ||
| 209 | 177 | 6,69 | 14677 | 3,0 | ||
| 242 | 153 | 5,79 | 14134 | 3,2 | ||
| 277 | 134 | 5,05 | 13630 | 3,5 | ||
| 316 | 117 | 4,42 | 13155 | 3,7 |

Вернуться к выбору мощностей
Мотор-редуктор DR372 и DR373 - является полным аналогом мотор-редуктор TNC32 и TNC33 / производства Tos-Znojmo , Чехия ; MPD80 и MPD80/3 / производства Siti , Италия ; как технический аналог мотор-редуктор можно рассматривать к моделям MPL100 и MPL100/3 / производства Siti , Италия ; S082 и S083 / производства Motovario , Италия ; SK3282 и SK3382 /производства Nord , Германия ; F412 и F413 / производства Bonfiglioli , Италия , ZF100B и ZF100C / производства Tramec , Италия .
Редуктор DT372 и DT373 является аналогом редукторов PL100- , PL100/3 , PD80- , PD80/3 производства Siti / Италия ; ZA100B , ZA100C производства Tramec / Италия .
Если вы хотите купить цилиндрический редуктор DR372 и DR373 , вы можете:
Позвонить:
Российская Федерация
+7 (495) 369-04-89
+7 (910) 726-725-4 (МТС) Смоленск
info@tech-privod.com
Республика Беларусь
+375 17 272-04-08 (т/ф) Минск
+375 29 61-787-61 (A1) Минск
+7 (495) 369-04-89
+7 (910) 726-725-4 (МТС) Смоленск
info@tech-privod.com
Республика Беларусь
+375 17 272-04-08 (т/ф) Минск
+375 29 61-787-61 (A1) Минск
