Цилиндрический редуктор DR673 10 об/мин ... 25 об/мин
10 об/мин ... 25 об/мин
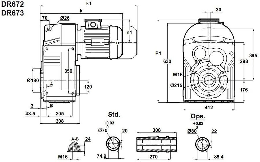
Трансмиссионный механический электрический агрегат DR673-132M/6a и DR673-112M/4 служит для понижения входных оборотов, получаемых от асинхронного электрического двигателя номинальной мощностью 4,0 кВт (а это могут быть 4*3000 , 4*1500 , 4*1000 , 4*750 или другие модификации электропривода), до выходных оборотов в области 7,1 об/мин - 26 об/мин.Крутящий момент: 1500 Нм - 4300 Нм.
Допустимые радиальные нагрузки: 35000 N.
Гарантия - 24 месяца.
Условное обозначение
Каталог D-series
| Обороты на выходном валу | Крутящий момент на выходном валу | Передаточное число | Радиальные нагрузки на выходной вал | Сервис фактор | Тип редуктора | Масса |
| n2 (об/мин-1) | M2 (Нм) | i | Fr (Н) | fs | m (кг) | |
| 7,1 | 5065 | 197,01 | 19125 | 0,8 | DR673-112M/4 | 230 |
| 8,3 | 4324 | 167,96 | 29238 | 1,0 | ||
| 10 | 3600 | 139,76 | 35998 | 1,2 | ||
| 11 | 3211 | 124,53 | 38905 | 1,3 | ||
| 13 | 2772 | 69,18 | 41792 | 1,6 | DR673-132M/6a | 251 |
| 15 | 2439 | 60,82 | 43786 | 1,8 | ||
| 15 | 2379 | 59,34 | 44115 | 1,8 | ||
| 18 | 2048 | 51,01 | 45905 | 2,1 | ||
| 20 | 1780 | 44,27 | 47217 | 2,4 | ||
| 23 | 1558 | 38,70 | 48230 | 2,8 | ||
| 26 | 1371 | 34,02 | 49034 | 3,1 |

Вернуться к выбору мощностей
Мотор-редуктор DR673 - как технический аналог мотор-редуктор можно рассматривать относительно к моделям MPD160 и MPD160/3 , MPL160 и MPL160/3 / производства Siti, Италия; SK6382 /производства Nord , Германия; F703/ производства Bonfiglioli, Италия, ZF180B и ZF180C / производства Tramec, Италия .
Редуктор DT673 является аналогом редукторов ZA160B, ZA160C производства Tramec/ Италия .
Если вы хотите купить цилиндрический редуктор DR673 , вы можете:
Позвонить:
Российская Федерация
+7 (495) 369-04-89
+7 (910) 726-725-4 (МТС) Смоленск
info@tech-privod.com
Республика Беларусь
+375 17 272-04-08 (т/ф) Минск
+375 29 61-787-61 (A1) Минск
+7 (495) 369-04-89
+7 (910) 726-725-4 (МТС) Смоленск
info@tech-privod.com
Республика Беларусь
+375 17 272-04-08 (т/ф) Минск
+375 29 61-787-61 (A1) Минск
