Цилиндрический редуктор DR773 5,0 об/мин ... 10 об/мин
5,0 об/мин ... 10 об/мин
Трехступенчатая средне скоростная трансмиссия - цилиндрический мотор-редуктор с параллельным валом DR773-112M/4 и DR773-132M/6a, подводимая мощность - 4 киловатт в восьми- , шести- , четырех- , а также двух- полюсной конфигурации.Предлагаемые передаточные соотношения: 1:72,5 , 1:80 , 1: 140 1:160 , 1:190 , 1:220.
Передаваемые усилия: 3000 нм - 7500 нм.
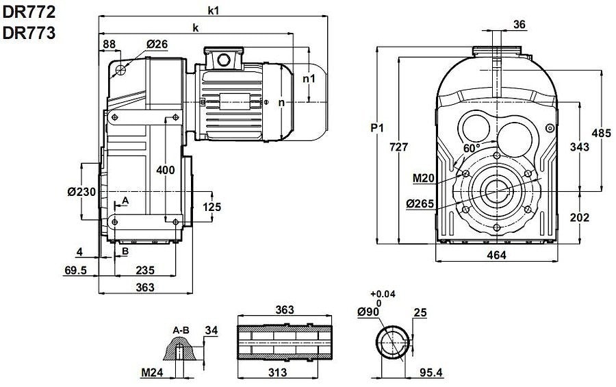
Стандартное исполнение - полая втулка диаметром 90 мм, имеется возможность адаптации всех крепежных размеров.
Условное обозначение
Каталог D-series
| Обороты на выходном валу | Крутящий момент на выходном валу | Передаточное число | Радиальные нагрузки на выходной вал | Сервис фактор | Тип редуктора | Масса |
| n2 (об/мин-1) | M2 (Нм) | i | Fr (Н) | fs | m (кг) | |
| 4,1 | 8846 | 222,16 | 48963 | 0,9 | DR773-132M/6a | 315 |
| 4,7 | 7583 | 190,20 | 58456 | 1,1 | ||
| 5,7 | 6311 | 158,23 | 66053 | 1,3 | ||
| 11 | 3272 | 81,72 | 79384 | 2,4 | ||
| 12 | 2906 | 72,50 | 80626 | 2,8 | ||
| 6,3 | 5709 | 222,16 | 69075 | 1,4 | DR773-112M/4 | 301 |
| 7.3 | 4895 | 190,20 | 72996 | 1,6 | ||
| 8,8 | 4074 | 158,23 | 76402 | 2,0 | ||
| 9,9 | 3649 | 141,55 | 78017 | 2,2 |

Вернуться к выбору мощностей
Мотор-редуктор DR773 - как технический аналог мотор-редуктор можно рассматривать относительно к моделям MPD160 и MPD160/3/ производства Siti, Италия; SK7382 /производства Nord , Германия; F803 / производства Bonfiglioli, Италия, ZF200B и ZF200C / производства Tramec , Италия .
Редуктор DT773 является аналогом редукторов PD160-, PD160/3- производства Siti / Италия; ZA200B, ZA200C производства Tramec/ Италия .
Если вы хотите купить цилиндрический редуктор DR773 , вы можете:
Позвонить:
Российская Федерация
+7 (495) 369-04-89
+7 (910) 726-725-4 (МТС) Смоленск
info@tech-privod.com
Республика Беларусь
+375 17 272-04-08 (т/ф) Минск
+375 29 61-787-61 (A1) Минск
+7 (495) 369-04-89
+7 (910) 726-725-4 (МТС) Смоленск
info@tech-privod.com
Республика Беларусь
+375 17 272-04-08 (т/ф) Минск
+375 29 61-787-61 (A1) Минск
