Цилиндрический редуктор DR172 и DR173 9,0 об/мин ... 580 об/мин
9,0 об/мин ... 580 об/мин
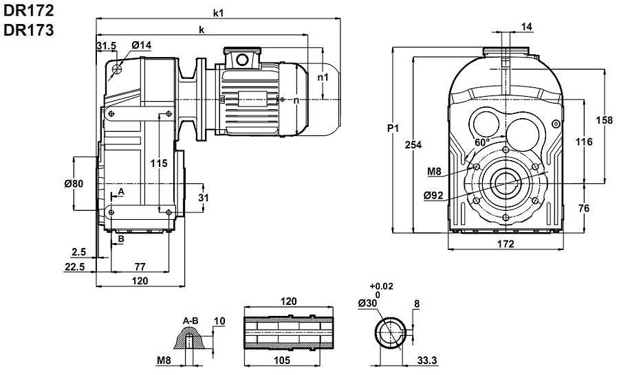
Двухступенчатый и трехступенчатый цилиндрический моторредуктор моделей DR172-63/2a , DR172-63/4b , DR173-63/4b и DR173-71/6a с параллельным выходным валом - это надежный редукторный механизм, который обеспечивает преобразование крутящего момента на конце выходного вала 60 Н*м ~ 180 Н*м, от однофазного (220В) или трехфазного (380В) электродвигателя мощностью 0,18кВт (моторы 0,18*3000, 0,18*1500, 0,18*1000, 0,18*750)Обороты выходного вала: 6,3 - 580 оборотов в минуту.
При средне скоростных режимах работы допустимые радиальные нагрузки - 2000Н, при быстроходных - до 6000Н.
Условное обозначение
Каталог D-series
| Обороты на выходном валу | Крутящий момент на выходном валу | Передаточное число | Радиальные нагрузки на выходной вал | Сервис фактор | Тип редуктора | Масса |
| n2 (об/мин-1) | M2 (Нм) | i | Fr (Н) | fs | m (кг) | |
| 6,3 | 253 | 142,89 | 4142 | 0,8 | DR173-71/6a | 21 |
| 7,5 | 214 | 120,64 | 5127 | 0,9 | ||
| 8,7 | 183 | 103,34 | 5774 | 1,1 | ||
| 9,8 | 162 | 142,89 | 6173 | 1,2 | DR173-63/4b | 20 |
| 12 | 137 | 120,64 | 6578 | 1,5 | ||
| 14 | 118 | 103,34 | 6848 | 1,7 | ||
| 15 | 104 | 91,25 | 7029 | 1,9 | ||
| 16 | 97 | 85,23 | 7115 | 2,1 | ||
| 19 | 82 | 72,04 | 6796 | 2,4 | ||
| 23 | 69 | 60,16 | 6457 | 2,9 | ||
| 27 | 59 | 51,88 | 6186 | 3,4 | ||
| 29 | 55 | 47,81 | 6039 | 3,7 | ||
| 31 | 51 | 44,66 | 5919 | 3,9 | ||
| 37 | 43 | 37,75 | 5629 | 4,6 | ||
| 44 | 36 | 31,52 | 5331 | 5,5 | ||
| 47 | 34 | 29,67 | 5233 | 5,8 | DR172-63/4b | 17 |
| 55 | 29 | 25,24 | 4980 | 6,8 | ||
| 64 | 25 | 21,79 | 4758 | 7,9 | ||
| 74 | 22 | 19,04 | 4561 | 9,1 | ||
| 78 | 21 | 17,86 | 4471 | 9,7 | ||
| 92 | 18 | 15,18 | 4248 | 11,4 | ||
| 106 | 15 | 13,19 | 4062 | 13,1 | ||
| 121 | 13 | 11,54 | 3893 | 15,0 | ||
| 147 | 11 | 9,54 | 3664 | 18,1 | ||
| 181 | 9 | 7,74 | 3420 | 20,1 | ||
| 208 | 8 | 6,72 | 3268 | 21,9 | ||
| 238 | 7 | 5,88 | 3130 | 23,6 | ||
| 288 | 6 | 4,86 | 2943 | 26,0 | ||
| 362 | 4 | 7,74 | 2732 | 33,2 | DR172-63/2a | 17 |
| 417 | 4 | 6,72 | 2609 | 35,7 | ||
| 476 | 3 | 5,88 | 2498 | 39,5 | ||
| 576 | 3 | 4,86 | 2347 | 42,5 |
Вернуться к выбору мощностей
Мотор-редуктор DR172 и DR173 - является полным аналогом мотор-редукторов TNC12 и TNC13 , TNC 12 и TNC 13 , TN C12 и TN C 13 (производства Tos-Znojmo / Чехия) ; как технический аналог мотор-редуктор можно рассматривать маркам м/редукторов MPL63 и MPL63/3 , MPL 63 и MPL 63 3 , M PL 63 и M PL63 3 (производства Siti /Италия) ; моторредукторов S052 и S053 , S 052 и S 05 3 , S 05 2 и S 053 (производства Motovario /Италия) ; редукторов SK1282 и SK1382NB , SK 1282 и SK 1382NB , S K 12 82 и SK 1382 NB (производства Nord /Германия) ; мотор-редукторов F202 и F203 , F 20 2 и F 20 3 , F20 2 и F20 3 (производства Bonfiglioli /Италия). Редуктор DT172 и DT173 является аналогом редукторов PL63 , PL63/3 , PL 63 , PL 63 3 , P L 63 , PL 63-3 (прои зводства Siti /Италия).
Если вы хотите купить цилиндрический редуктор DR172 и DR173 , вы можете:
Позвонить:
Российская Федерация
+7 (495) 369-04-89
+7 (910) 726-725-4 (МТС) Смоленск
info@tech-privod.com
Республика Беларусь
+375 17 272-04-08 (т/ф) Минск
+375 29 61-787-61 (A1) Минск
+7 (495) 369-04-89
+7 (910) 726-725-4 (МТС) Смоленск
info@tech-privod.com
Республика Беларусь
+375 17 272-04-08 (т/ф) Минск
+375 29 61-787-61 (A1) Минск
