Цилиндрический редуктор DR474 1,5 об/мин ... 3,0 об/мин
1,5 об/мин ... 3,0 об/мин
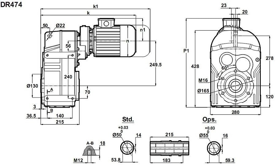
Низко оборотистый цилиндрический трансмиссионный передаточный механизм с параллельными валами DR474-63/4b (с электродвигателем 0,18 кВт в четырех- полюсной конфигурации), DR474-71/6a (с электродвигателем 0,18кВт в шести- полюсной конфигурации) достигаемые крутящие моменты - 500Nm - 1000Nm.Ряд передаточных чисел i=450 ~ i= 600.
Допустимые радиальные нагрузки: 23000N.
Многочисленные крепежные принадлежности: полый вал, полнотелые валы, выходные фланцы, реактивные штанги.
Редуктор может комплектоваться антиреверсной муфтой.
Условное обозначение
Каталог D-series
| Обороты на выходном валу | Крутящий момент на выходном валу | Передаточное число | Радиальные нагрузки на выходной вал | Сервис фактор | Тип редуктора | Масса |
| n2 (об/мин-1) | M2 (Нм) | i | Fr (Н) | fs | m (кг) | |
| 1,5 | 970 | 584,15 | 22822 | 1,6 | DR474-71/6a | 114 |
| 1,7 | 868 | 522,66 | 23608 | 1,8 | ||
| 2,0 | 763 | 458,98 | 24355 | 2,0 | ||
| 2,4 | 624 | 584,15 | 25264 | 2,5 | DR474-63/4b | 111 |
| 2,7 | 558 | 522,66 | 25662 | 2,8 | ||
| 3,1 | 491 | 458,98 | 26052 | 3,2 |

Вернуться к выбору мощностей
Мотор редуктор DR474 можно использовать как технический аналог мотор редуктору SK4282 / 12 / выпускаемых NORD , Германия ; мотор-редуктору F514 / производства Bonfiglioli , Италия.
Если вы хотите купить цилиндрический редуктор DR474 , вы можете:
Позвонить:
Российская Федерация
+7 (495) 369-04-89
+7 (910) 726-725-4 (МТС) Смоленск
info@tech-privod.com
Республика Беларусь
+375 17 272-04-08 (т/ф) Минск
+375 29 61-787-61 (A1) Минск
+7 (495) 369-04-89
+7 (910) 726-725-4 (МТС) Смоленск
info@tech-privod.com
Республика Беларусь
+375 17 272-04-08 (т/ф) Минск
+375 29 61-787-61 (A1) Минск
