Цилиндрический редуктор DR283 6,5 об/мин ... 10 об/мин
6,5 об/мин ... 10 об/мин
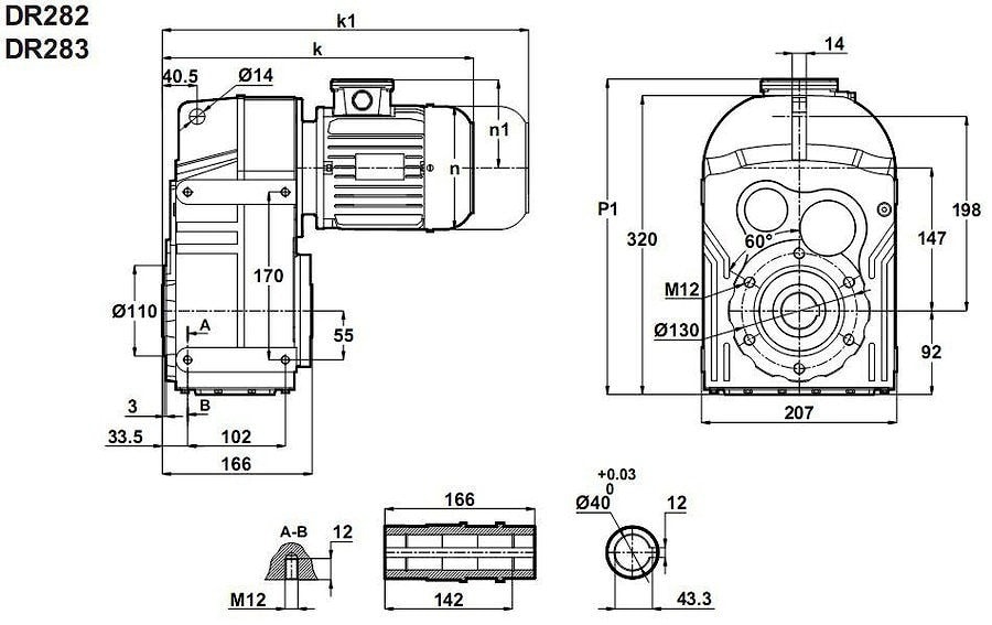
Под электропривод мощностью 180 Вт выпускается компактная небольшая трансмиссионная зубчатая передача DR283-71/6a с параллельными осями и полым выходным валом. Редуктор считается низко оборотистым, так как передаточные числа коробки передач имеют следующие значения: i= 95, i=112, i=120, i=135.Вращательные моменты: 200 Nm ~ 250 Nm.
Радиальные и аксиальные нагрузки на выходные валы - 14000N.
Редукторы отпускаются заправленными заводской смазкой.
Гарантия - 2 года.
Условное обозначение
Каталог D-series
| Обороты на выходном валу | Крутящий момент на выходном валу | Передаточное число | Радиальные нагрузки на выходной вал | Сервис фактор | Тип редуктора | Масса |
| n2 (об/мин-1) | M2 (Нм) | i | Fr (Н) | fs | m (кг) | |
| 6,6 | 241 | 135,52 | 13923 | 2,5 | DR283-71/6a | 33 |
| 7,6 | 212 | 119,16 | 14173 | 2,8 | ||
| 8,0 | 200 | 112,15 | 14277 | 3,0 | ||
| 9,4 | 171 | 95,92 | 14509 | 3,5 |

Вернуться к выбору мощностей
Мотор редуктор DR283 можно использовать как технический аналог мотор редукторов F313, F 31 3, F31 3 (выпускаемых Bonfiglioli /Италия).
Если вы хотите купить цилиндрический редуктор DR283 , вы можете:
Позвонить:
Российская Федерация
+7 (495) 369-04-89
+7 (910) 726-725-4 (МТС) Смоленск
info@tech-privod.com
Республика Беларусь
+375 17 272-04-08 (т/ф) Минск
+375 29 61-787-61 (A1) Минск
+7 (495) 369-04-89
+7 (910) 726-725-4 (МТС) Смоленск
info@tech-privod.com
Республика Беларусь
+375 17 272-04-08 (т/ф) Минск
+375 29 61-787-61 (A1) Минск
