Цилиндрический редуктор DR273 6,5 об/мин ... 20 об/мин
6,5 об/мин ... 20 об/мин
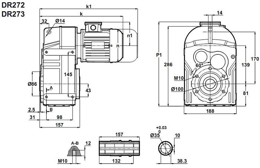
Механическое средство для получения высоких крутящих моментов: 150 ~ 250 ньютов/метр, за счет преобразования энергии угловой скорости электрического двигателя мощностью 180 ватт (разно полярных конфигурации), задаваемой на входе мотор-редуктора. Предлагаются следующие цилиндрические мотор-редукторы DR273-63/4b и DR273-71/6a с конструктивно параллельными осями (валами).Монтажные пространственные позиции редукторов: М1, М2, М3, М4, М5, М6.
Весь набор крепежно-присоединительных принадлежностей: полые валы (разных диаметров), цельные валы, выходные фланцы, зажимные диски и т.д.
Условное обозначение
Каталог D-series
| Обороты на выходном валу | Крутящий момент на выходном валу | Передаточное число | Радиальные нагрузки на выходной вал | Сервис фактор | Тип редуктора | Масса |
| n2 (об/мин-1) | M2 (Нм) | i | Fr (Н) | fs | m (кг) | |
| 6,5 | 245 | 137,94 | 14452 | 1,8 | DR273-71/6a | 25 |
| 7,5 | 214 | 120,49 | 14740 | 2,1 | ||
| 8,0 | 201 | 113,02 | 14857 | 2,2 | ||
| 9,4 | 171 | 96,09 | 15114 | 2,6 | ||
| 10 | 157 | 137,94 | 15226 | 2,9 | DR273-63/4b | 22 |
| 11 | 137 | 120,49 | 15380 | 3,3 | ||
| 12 | 129 | 113,02 | 15380 | 3,5 | ||
| 15 | 110 | 96,09 | 15584 | 4,1 | ||
| 17 | 95 | 83,46 | 15684 | 4,7 | ||
| 19 | 83 | 73,03 | 15765 | 5,4 |

Если вы хотите купить цилиндрический редуктор DR273 , вы можете:
Позвонить:
Российская Федерация
+7 (495) 369-04-89
+7 (910) 726-725-4 (МТС) Смоленск
info@tech-privod.com
Республика Беларусь
+375 17 272-04-08 (т/ф) Минск
+375 29 61-787-61 (A1) Минск
+7 (495) 369-04-89
+7 (910) 726-725-4 (МТС) Смоленск
info@tech-privod.com
Республика Беларусь
+375 17 272-04-08 (т/ф) Минск
+375 29 61-787-61 (A1) Минск
