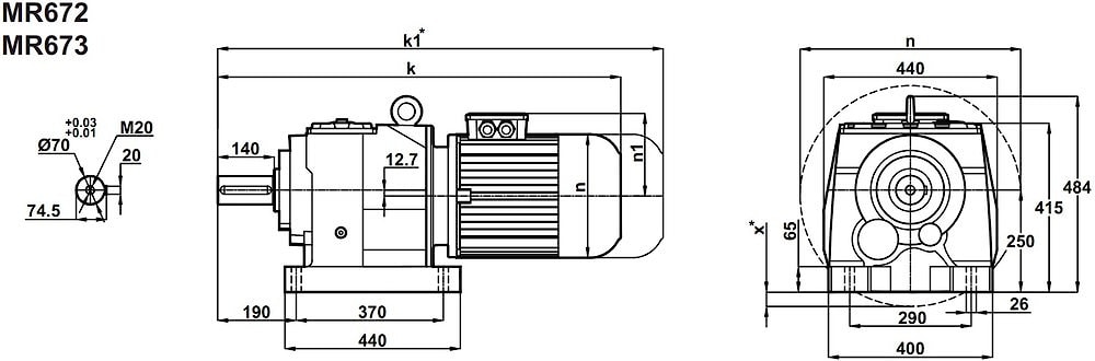
Соосный цилиндрический редуктор MR672, MR673, NR672 и NR673 Номинальная мощность - 15 кВт Выходные обороты: 30 об/мин ... 300 об/мин
Номинальная мощность - 15 кВт
Выходные обороты: 30 об/мин ... 300 об/мин

Оптимальным считается, когда мотор-редуктор работает на передаточных соотношениях от i=5 ... i=50 (при минимальных требованиях к сервис-фактору).
Привод заправлен заводской смазкой; наличие сервисных пробок для своевременных контроля и замены смазки.
Любая адаптация редуктора под Ваши присоединительные размеры.
Сервис-фактор (fs)
Монтажные расположения
Применяемые типы масел
Условное обозначение
Каталог M-series
Обороты на выходном валу | Крутящий момент на выходном валу | Передаточное число | Радиальные нагрузки на выходной вал | Сервис фактор | Тип редуктора | Масса |
n2 (об/мин-1) | M2 (Нм) | i | Fr (Н) | fs | m (кг) | |
29 | 4760 | 49,03 | 15631 | 0,8 | MR673-160L/4 NR673-160L/4 | 330 334 |
33 | 4099 | 42,15 | 24447 | 1,0 | ||
38 | 3563 | 36,58 | 24134 | 1,1 | ||
44 | 3119 | 31,98 | 23751 | 1,3 | ||
50 | 2745 | 28,11 | 23319 | 1,5 | ||
56 | 2419 | 24,88 | 22040 | 1,6 | ||
62 | 2220 | 22,51 | 22461 | 1,6 | MR672-160L/4 NR672-160L/4 | 327 331 |
70 | 1987 | 20,12 | 21988 | 1,7 | ||
78 | 1772 | 17,93 | 21481 | 1,9 | ||
92 | 1508 | 15,27 | 20751 | 2,1 | ||
107 | 1299 | 13,13 | 20044 | 2,4 | ||
123 | 1128 | 11,39 | 19373 | 2,4 | ||
141 | 988 | 9,96 | 18734 | 2,4 | ||
160 | 869 | 8,76 | 18123 | 2,4 | ||
181 | 767 | 7,75 | 17295 | 2,4 | ||
210 | 660 | 6,66 | 16627 | 2,6 | ||
242 | 574 | 5,78 | 16007 | 2,8 | ||
277 | 502 | 5,05 | 15427 | 3,0 |


Вернуться к выбору мощностей
Соосно-цилиндрический мотор-редуктор MR672(3) и NR672(3) можно рассматривать как: полный аналог соосно-цилиндрических мотор-редукторов таких брэндов , как Varvel (Италия) , Motovario (Италия) , STM (Италия) , Transtecno (Италия) , Siti (Италия) , Tos Znojmo (Чехия) , Sew Eurodrive (Германия) , KEB (Германия) , PGR (Турция) и других .
Соосно-цилиндрический мотор-редуктор MR672(3) и NR672(3) можно рассматривать как: технический аналог соосных редукторов таких брэндов , как Bonfiglioli (Италия) , Innovari/Hydromec (Италия) , Watt Drive (Австрия) , Nord Getriebebau DriveSystems (Германия) , Bauer Gearmotors (Германия) , Lenze (Германия) .
Если вы хотите купить соосный цилиндрический редуктор MR672, MR673, NR672 и NR673 , вы можете:
Позвонить:
Российская Федерация
+7 (495) 369-04-89
+7 (910) 726-725-4 (МТС) Смоленск
info@tech-privod.com
Республика Беларусь
+375 17 272-04-08 (т/ф) Минск
+375 29 61-787-61 (A1) Минск
+7 (495) 369-04-89
+7 (910) 726-725-4 (МТС) Смоленск
info@tech-privod.com
Республика Беларусь
+375 17 272-04-08 (т/ф) Минск
+375 29 61-787-61 (A1) Минск