Соосный цилиндрический редуктор MR773, NR773 Номинальная мощность - 15 кВт Выходные обороты: 20 об/мин ... 45 об/мин
Номинальная мощность - 15 кВт
Выходные обороты: 20 об/мин ... 45 об/мин

Рационально использовать редукторный механизм с передаточными соотношениями от i=32 ... до i=75 (при незначительных требованиях к сервис-фактору).
На выходе, на исполнительном валу - крутящий момент достигает до 588 килограмм силы на метр.
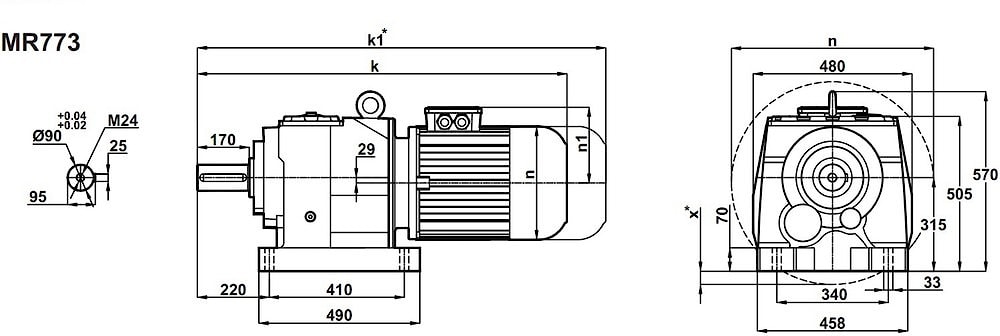
Корпус изготовлен в моноблочной, литой, чугунной структуре.
Имеются сервисные заслонки для смены масла.
Гарантия - 2 года.
Сервис-фактор (fs)
Монтажные расположения
Применяемые типы масел
Условное обозначение
Каталог M-series
Обороты на выходном валу | Крутящий момент на выходном валу | Передаточное число | Радиальные нагрузки на выходной вал | Сервис фактор | Тип редуктора | Масса |
n2 (об/мин-1) | M2 (Нм) | i | Fr (Н) | fs | m (кг) | |
16 | 8407 | 86,76 | 32044 | 0,9 | MR773-160L/4 NR773-160L/4 | 419 423 |
18 | 7466 | 76,34 | 32130 | 1,0 | ||
20 | 6687 | 68,83 | 32071 | 1,1 | ||
24 | 5779 | 59,52 | 31824 | 1,2 | ||
27 | 5013 | 51,54 | 31420 | 1,4 | ||
31 | 4391 | 45,08 | 30931 | 1,6 | ||
35 | 3876 | 39,74 | 30388 | 1,9 | ||
40 | 3443 | 35,25 | 29813 | 2,1 | ||
45 | 3073 | 31,43 | 29218 | 2,3 |


Вернуться к выбору мощностей
Соосно-цилиндрический мотор-редуктор MR772(3) и NR772(3) можно рассматривать как: полный аналог соосно-цилиндрических мотор-редукторов таких брэндов , как Varvel (Италия) , Motovario (Италия) , STM (Италия) , Transtecno (Италия) , Siti (Италия) , Tos Znojmo (Чехия) , Sew Eurodrive (Германия) , KEB (Германия) , PGR (Турция) и других .
Соосно-цилиндрический мотор-редуктор MR772(3) и NR772(3) можно рассматривать как: технический аналог соосных редукторов таких брэндов , как Bonfiglioli (Италия) , Innovari/Hydromec (Италия) , Watt Drive (Австрия) , Nord Getriebebau DriveSystems (Германия) , Bauer Gearmotors (Германия) , Lenze (Германия) .
Если вы хотите купить соосный цилиндрический редуктор MR773, NR773 , вы можете:
Позвонить:
Российская Федерация
+7 (495) 369-04-89
+7 (910) 726-725-4 (МТС) Смоленск
info@tech-privod.com
Республика Беларусь
+375 17 272-04-08 (т/ф) Минск
+375 29 61-787-61 (A1) Минск
+7 (495) 369-04-89
+7 (910) 726-725-4 (МТС) Смоленск
info@tech-privod.com
Республика Беларусь
+375 17 272-04-08 (т/ф) Минск
+375 29 61-787-61 (A1) Минск