Соосный цилиндрический редуктор MR283, NR283 Номинальная мощность - 0,37 кВт Выходные обороты: 6,5 об/мин ... 16 об/мин
Номинальная мощность - 0,37 кВт
Выходные обороты: 6,5 об/мин ... 16 об/мин
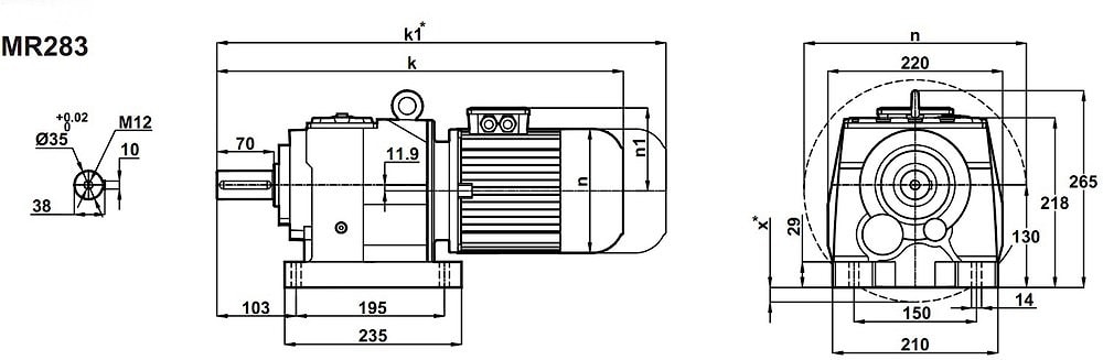
Соосный цилиндрический мотор-редуктор MR283-71/4b (исполнение на лапах) NR283-71/4b (фланцевое исполнение) MR283-80/6a (исполнение на лапах) NR283-80/6a (фланцевое исполнение) представляет собой цилиндрические зубчатые передачи, приводимые в движение от электропривода с номинальной мощностью 0,37 кВт, компактно располагаются в чугунном высокопрочном корпусе моноблочного типа. Диапазон рациональных выходных оборотов для данного габарита 6,5 об/мин ~ 16 об/мин (надо правильный уровень выходных оборотов откорректировать согласно необходимого сервис-фактора).
Редуктор отлично зарекомендовал себя в критичных условиях эксплуатации: прерывистость и кратковременность работ, регулирование загруженности редукторного механизма.
Гарантийные обязательства - 24 месяца.
Сервис-фактор (fs)
Монтажные расположения
Комбинированное исполнение (лапы, фланец)
Применяемые типы масел
Условное обозначение
Каталог M-series
| Обороты на выходном валу | Крутящий момент на выходном валу | Передаточное число | Радиальные нагрузки на выходной вал | Сервис фактор | Тип редуктора | Масса |
| n2 (об/мин-1) | M2 (Нм) | i | Fr (Н) | fs | m (кг) | |
| 6,5 | 504 | 137,91 | 8415 | 1,2 | MR283-80/6a NR283-80/6a | 38 41 |
| 7,9 | 418 | 114,14 | 9877 | 1,4 | ||
| 9,2 | 358 | 97,62 | 10733 | 1,7 | ||
| 10 | 325 | 137,91 | 11142 | 1,8 | MR283-71/4b NR283-71/4b | 38 41 |
| 12 | 270 | 114,14 | 11768 | 2,2 | ||
| 14 | 231 | 97,62 | 11128 | 2,6 | ||
| 16 | 202 | 85,6 | 10620 | 3,0 |
Вернуться к выбору мощностей
Соосно-цилиндрический мотор-редуктор MR283 и NR283 можно рассматривать как: полный аналог соосно-цилиндрических мотор-редукторов таких брэндов , как Varvel (Италия) , Motovario (Италия) , STM (Италия) , Transtecno (Италия) , Siti (Италия) , Tos Znojmo (Чехия) , Sew Eurodrive (Германия) , KEB (Германия) , PGR (Турция) и других .
Соосно-цилиндрический мотор-редуктор MR283 и NR283 можно рассматривать как: технический аналог червячных редукторов таких брэндов , как Bonfiglioli (Италия) , Innovari/Hydromec (Италия) , Watt Drive (Австрия) , Nord Getriebebau DriveSystems (Германия) , Bauer Gearmotors (Германия) , Lenze (Германия)
Если вы хотите купить соосный цилиндрический редуктор MR283, NR283 , вы можете:
Позвонить:
Российская Федерация
+7 (495) 369-04-89
+7 (910) 726-725-4 (МТС) Смоленск
info@tech-privod.com
Республика Беларусь
+375 17 272-04-08 (т/ф) Минск
+375 29 61-787-61 (A1) Минск
+7 (495) 369-04-89
+7 (910) 726-725-4 (МТС) Смоленск
info@tech-privod.com
Республика Беларусь
+375 17 272-04-08 (т/ф) Минск
+375 29 61-787-61 (A1) Минск
