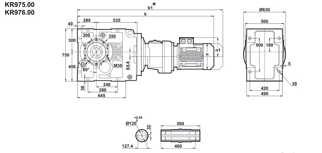
Конический редуктор KR976 и KR975
Конический редуктор KR976 и KR975 0,92 об/мин ... 2,0 об/мин
Условное обозначение
Каталог K-series
| Обороты на выходном валу | Крутящий момент на выходном валу | Передаточное число | Радиальные нагрузки на выходной вал | Сервис фактор | Тип редуктора | Масса |
| n2 (об/мин-1) | M2 (Нм) | i | Fr (Н) | fs | m (кг) | |
| 0,52 | 24242 | 2811,23 | 63087 | 0,8 | KR976-90L/4 | 1113 |
| 0,92 | 20299 | 2348,01 | 73153 | 1,0 | ||
| 0,65 | 19192 | 2218,31 | 75519 | 1,0 | ||
| 0,73 | 17190 | 1985,89 | 79582 | 1,2 | ||
| 0,91 | 13996 | 1585,92 | 85179 | 1,4 | KR975-90L/4 | 1108 |
| 1,0 | 12575 | 1423,89 | 87431 | 1,6 | ||
| 1,2 | 10712 | 1213,78 | 90163 | 1,9 | ||
| 1,4 | 9452 | 1070,02 | 91875 | 2,1 | ||
| 1,5 | 8391 | 949,26 | 93313 | 2,4 | ||
| 1,7 | 7487 | 846,39 | 94358 | 2,7 | ||
| 2,0 | 6344 | 715,34 | 95683 | 3,2 |

Если вы хотите купить конический редуктор KR976 и KR975 , вы можете:
Позвонить:
Российская Федерация
+7 (495) 369-04-89
+7 (910) 726-725-4 (МТС) Смоленск
info@tech-privod.com
Республика Беларусь
+375 17 272-04-08 (т/ф) Минск
+375 29 61-787-61 (A1) Минск
+7 (495) 369-04-89
+7 (910) 726-725-4 (МТС) Смоленск
info@tech-privod.com
Республика Беларусь
+375 17 272-04-08 (т/ф) Минск
+375 29 61-787-61 (A1) Минск
