Конический редуктор KR284 2,6 об/мин ... 6,1 об/мин
2,6 об/мин ... 6,1 об/мин
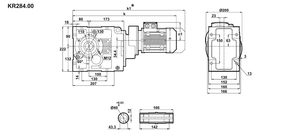
Эргономичная универсальная приводная машина KR284 - небольшой редукторный механизм, обслуживающий невысокие скорости вращения выходного вала, порядком, 2,5 об/мин - 6,0 об/мин, при этом вырабатывающий крутящие моменты в размере 240 Нм - 560 Нм. Диаметр выходного полого вал 40 мм, что соответствует величинам передаваемых усилий, значениям радиальных и аксиальных нагрузок - 17000 Н.
Условное обозначение
Каталог K-series
| Обороты на выходном валу | Крутящий момент на выходном валу | Передаточное число | Радиальные нагрузки на выходной вал | Сервис фактор | Тип редуктора | Масса |
| n2 (об/мин-1) | M2 (Нм) | i | Fr (Н) | fs | m (кг) | |
| 2,6 | 561 | 353,22 | 16247 | 1,1 | KR284-71/6a | 46 |
| 3,3 | 452 | 284,33 | 16294 | 1,3 | ||
| 3,7 | 396 | 249,33 | 17220 | 1,5 | ||
| 3,8 | 389 | 353,22 | 17257 | 1,5 | KR284-63/4b | 44 |
| 4,7 | 313 | 284,33 | 17626 | 1,9 | ||
| 5,4 | 275 | 249,33 | 17799 | 2,2 | ||
| 6,1 | 243 | 220,43 | 17935 | 2,5 |

Если вы хотите купить конический редуктор KR284 , вы можете:
Позвонить:
Российская Федерация
+7 (495) 369-04-89
+7 (910) 726-725-4 (МТС) Смоленск
info@tech-privod.com
Республика Беларусь
+375 17 272-04-08 (т/ф) Минск
+375 29 61-787-61 (A1) Минск
+7 (495) 369-04-89
+7 (910) 726-725-4 (МТС) Смоленск
info@tech-privod.com
Республика Беларусь
+375 17 272-04-08 (т/ф) Минск
+375 29 61-787-61 (A1) Минск
