Конические редукторы KR273 8,0 об/мин ... 11 об/мин
8,0 об/мин ... 11 об/мин
Для получения всей линейки скоростей выходного вала механического вращения, смещенного относительно основной оси в 90 градусов, как правило, в силу своей дешевизны производства используют червячные редукторы.Интерес к конической передаче, возникает при необходимости достижения сверх низких оборотов на выходе.
Для электродвигателя 180 Ватт используют моторредуктор KR273-71/6a.
Вращение выходного вала 8,0 об/мин - 11 об/мин.
Моменты выходного вала в пределах - 200Nm.
Износоустойчивый, надежный и прочный редуктор.
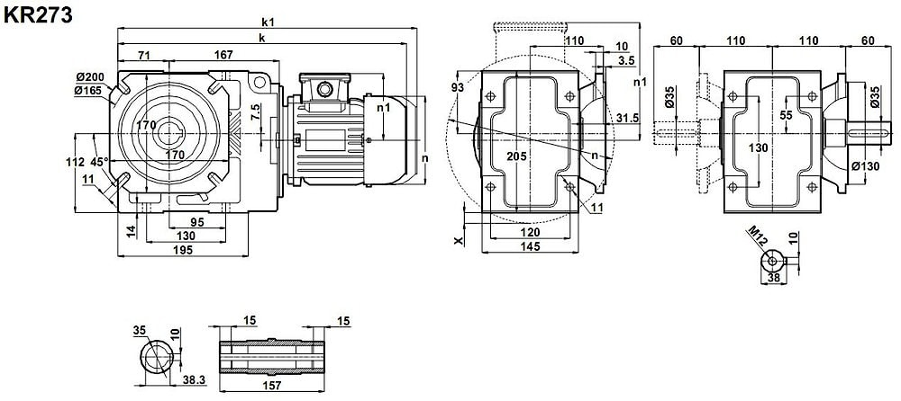
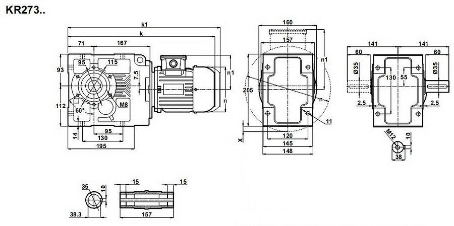
Условное обозначение
Каталог K-series
| Обороты на выходном валу | Крутящий момент на выходном валу | Передаточное число | Радиальные нагрузки на выходной вал | Сервис фактор | Тип редуктора | Масса |
| n2 (об/мин-1) | M2 (Нм) | i | Fr (Н) | fs | m (кг) | |
| 7,9 | 194 | 113,65 | 13945 | 2,3 | KR273-71/6a | 33,5 |
| 9,3 | 165 | 96,68 | 13309 | 2,7 | ||
| 11 | 142 | 83,48 | 12749 | 3,2 |

Вернуться к выбору мощностей
Мотор-редуктор KR273 - является полным аналогом мотор-редуктора КТМ33 и МВН63 (производства Tos-Znoimo (Чешская Республика) и Siti (Италия) , анагогами ( с приближенными размерностями ) мотор-редукторов ТС90В , ТF90В (производитель -Tramec (Италия)) , мотор-редукторов А 35 2 и А 35 3 , А 30 2 и А 30 3 от Bonfiglioli (Италия), B063 , BA72 , BA73 (производства Motovario (Италия), техническими заменителями мотор-редукторов SK92772 , SK92772 VF , SK92772 AX , SK9012.1 , SK9012.1 VF , SK9012.1 AX , SK9016.1 , SK9016.1 VF , SK9016.1 AX(производства NORD (Германия)).
Редуктор КТ273 можно использовать как аналог редуктора ВН63 производства Siti (Италия), и аналог привода ТА90В , производимого Tramec (Италия)
Если вы хотите купить конические редукторы KR273 , вы можете:
Позвонить:
Российская Федерация
+7 (495) 369-04-89
+7 (910) 726-725-4 (МТС) Смоленск
info@tech-privod.com
Республика Беларусь
+375 17 272-04-08 (т/ф) Минск
+375 29 61-787-61 (A1) Минск
+7 (495) 369-04-89
+7 (910) 726-725-4 (МТС) Смоленск
info@tech-privod.com
Республика Беларусь
+375 17 272-04-08 (т/ф) Минск
+375 29 61-787-61 (A1) Минск
