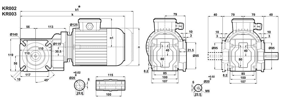
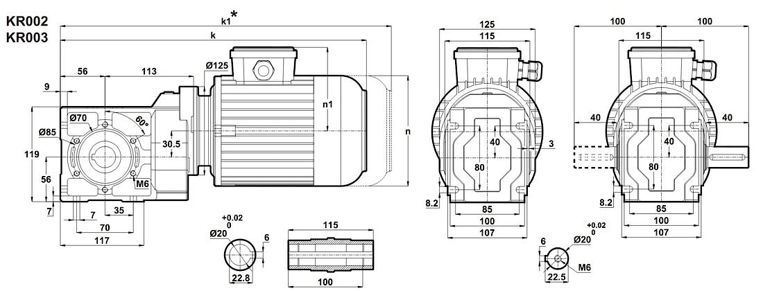
Конические редукторы KR003 и KR002 16 об/мин ... 60 об/мин
16 об/мин ... 60 об/мин
Компактное приводное решение KR003-63/4b, KR002-63/4b и KR002-63/2b - является основой при создании проектов , где величина требуемого крутящего момента находится до 100Нм. Мотор-редуктор может использоваться при более интенсивных работах, прерывистого и ударного характера; устойчив к агрессивным радиальным и аксиальным нагрузкам на выходные валы; стоек к износам, приходящимся на пиковые моменты перегрузок и т.д.Эксплуатационный срок более восьми лет, гарантийный срок - 24 месяца.
Условное обозначение
Каталог K-series
| Обороты на выходном валу | Крутящий момент на выходном валу | Передаточное число | Радиальные нагрузки на выходной вал | Сервис фактор | Тип редуктора | Масса |
| n2 (об/мин-1) | M2 (Нм) | i | Fr (Н) | fs | m (кг) | |
| 16 | 101 | 89,62 | 3074 | 0,8 | KR003-63/4b | 11 |
| 17 | 91 | 80,66 | 3594 | 0,9 | ||
| 21 | 76 | 67,44 | 4178 | 1,0 | ||
| 25 | 65 | 57,16 | 4515 | 1,2 | ||
| 29 | 55 | 48,93 | 4727 | 1,4 | ||
| 31 | 52 | 45,41 | 4832 | 1,6 | ||
| 40 | 40 | 35,34 | 4575 | 2,0 | ||
| 47 | 34 | 29,95 | 4399 | 2,4 | ||
| 55 | 29 | 25,64 | 4233 | 2,7 | ||
| 59 | 27 | 23,79 | 4153 | 3,0 | ||
| 70 | 23 | 19,88 | 4266 | 3,5 | KR002-63/4b | 10 |
| 87 | 19 | 16,18 | 3997 | 4,0 | ||
| 95 | 17 | 14,73 | 3879 | 4,0 | ||
| 106 | 15 | 13,26 | 3751 | 4,0 | ||
| 126 | 13 | 11,09 | 3541 | 4,0 | ||
| 149 | 11 | 9,4 | 3357 | 4,0 | ||
| 174 | 9,2 | 8,04 | 3192 | 4,0 | ||
| 188 | 8,6 | 7,46 | 3116 | 4,0 | ||
| 211 | 7,5 | 13,26 | 2998 | 4,0 | ||
| 253 | 6,3 | 11,09 | 2828 | 4,0 | KR002-63/2а | 10 |
| 298 | 5,3 | 9,4 | 2679 | 4,0 | ||
| 348 | 4,5 | 8,04 | 2546 | 4,0 | ||
| 375 | 4,2 | 7,46 | 2484 | 4,0 |

Вернуться к выбору мощностей
Если вы хотите купить конические редукторы KR003 и KR002 , вы можете:
Позвонить:
Российская Федерация
+7 (495) 369-04-89
+7 (910) 726-725-4 (МТС) Смоленск
info@tech-privod.com
Республика Беларусь
+375 17 272-04-08 (т/ф) Минск
+375 29 61-787-61 (A1) Минск
+7 (495) 369-04-89
+7 (910) 726-725-4 (МТС) Смоленск
info@tech-privod.com
Республика Беларусь
+375 17 272-04-08 (т/ф) Минск
+375 29 61-787-61 (A1) Минск
