Мини электропривод 7IK400R (400 Ватт) с регулируемой скоростью    Номинальная мощность - 0,4 кВт  Выходные обороты: 0,6 об/мин ~ 1400 об/мин
 Номинальная мощность - 0,4 кВт 
 Выходные обороты: 0,6 об/мин ~ 1400 об/мин
 Мини электропривод 7IK400R (400 Ватт) с регулируемой скоростью выходного вала предлагается в вариантах а) асинхронный электродвигатель с регулятором, и б) мотор редуктор с контролирующим устройством. Для вариации движения исходящего вала используются только однофазные электродвигатели, напряжением 110 В и 220 В. Зубчатая передача устанавливается при желании работы в более низких диапазонах. Более медленные динамические характеристики влияют на эффективность электропривода. Температура эксплуатации: -10 С ~ +40 C.
Влажность - 80%.
Обращаем внимание: диапазон выходных скоростей от 90 об/мин до 1400 об/мин используется электродвигатель с регулятором скорости
Для всех других диапазонов используется мотор-редуктор с регулятором скорости (см. таблицу)
Условные обозначения
| Модель регулируемого мотор-редуктора  | Напряжение | Конденсатор | Рабочий диапазон | Крутящий момент в крайних точках диапазона | Пусковой момент | Масса | |||||
| мотор | редуктор | вал | В | мкФ | n2 (об/мин) | M2 (Нм) | Мстарт (Нм) | M (кг) | |||
| мин | макс | мин | макс | ||||||||
| 7IK400R-C1 | - | A1 | A2 | 110 | 80 | 90 | 1400 | 3.0 | 35 | 2.00 | 7.3 | 
| 7IK400R-C2 | - | A1 | A2 | 220 | 20 | 90 | 1400 | 3.0 | 35 | 2.00 | 7.3 | 
| 7IK400R-C1-GH / | 7GH5K | 22 | - | 110 | 80 | 19 | 280 | 11 | 90 | 2.00 | 8.8 | 
| 7IK400R-C2-GH / | 7GH5K | 22 | - | 220 | 20 | 19 | 280 | 11 | 90 | 2.00 | 8.8 | 
| 7IK400R-C1-GH / | 7GH15K | 22 | - | 110 | 80 | 6.0 | 93 | 35 | 120 | 2.00 | 8.8 | 
| 7IK400R-C2-GH / | 7GH15K | 22 | - | 220 | 20 | 6.0 | 93 | 35 | 120 | 2.00 | 8.8 | 
| 7IK400R-C1-GH / | 7GH50K | 22 | - | 110 | 80 | 1.8 | 28 | 60 | 155 | 2.00 | 8.8 | 
| 7IK400R-C2-GH / | 7GH50K | 22 | - | 220 | 20 | 1.8 | 28 | 60 | 155 | 2.00 | 8.8 | 
| 7IK400R-C1-GH / | 7GH75K | 22 | - | 110 | 80 | 1.3 | 19 | 90 | 183 | 2.00 | 8.8 | 
| 7IK400R-C2-GH / | 7GH75K | 22 | - | 220 | 20 | 1.3 | 19 | 90 | 183 | 2.00 | 8.8 | 
| 7IK400R-C1-GH / | 7GH150K | 22 | - | 110 | 80 | 0.6 | 9.3 | 120 | 220 | 2.00 | 8.8 | 
| 7IK400R-C2-GH / | 7GH150K | 22 | - | 220 | 20 | 0.6 | 9.3 | 120 | 220 | 2.00 | 8.8 | 
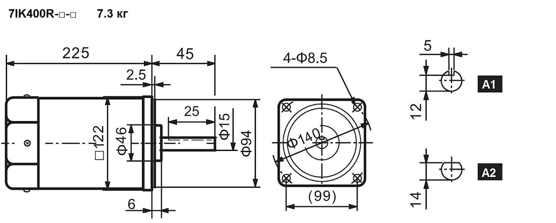
| Электродвигатель с регулируемой скоростью | 
     | 
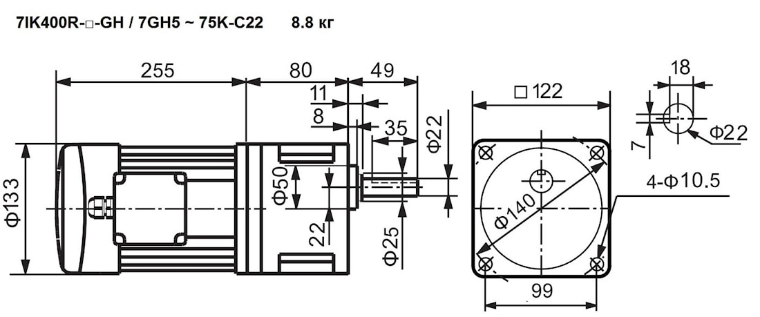
| Мотор-редуктор с регулируемой скоростью | 
     | 
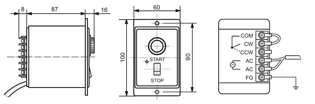
| Контроллер скорости | 
     | 
Если вы хотите купить мини электропривод 7IK400R (400 Ватт) с регулируемой скоростью   , вы можете:
 Позвонить: 
Российская Федерация
+7 (495) 369-04-89
+7 (910) 726-725-4 (МТС) Смоленск
info@tech-privod.com
Республика Беларусь
+375 17 272-04-08 (т/ф) Минск
+375 29 61-787-61 (A1) Минск
+7 (495) 369-04-89
+7 (910) 726-725-4 (МТС) Смоленск
info@tech-privod.com
Республика Беларусь
+375 17 272-04-08 (т/ф) Минск
+375 29 61-787-61 (A1) Минск



