Мини мотор редуктор 7GH3 ... 20 (400 Вaтт) Номинальная мощность - 0,4 кВт Выходные обороты: 75 об/мин ... 500 об/мин
Номинальная мощность - 0,4 кВт
Выходные обороты: 75 об/мин ... 500 об/мин
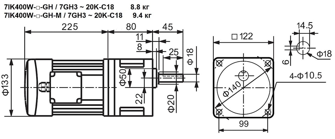
Мини мотор редуктор 7IK400W-GH / 7GH3 ... 20 и 7IK400W-GH-M / 7GH3 ... 20 c подводимой мощностью 0,4 кВт и редукторной частью с передаточными отношениями: 3; 3,6; 5,0; 6,0; 7,5; 9,0; 10; 12,5; 15; 18; 20. Агрегат помогает достигать выходную скорость исполнительного вала: 75 об/мин ... 500 об/мин (в зависимости от передаточного числа), и соответственно крутящий момент 7,0 Нм ... 46 Нм. Редукторный механизм размещен в износостойком корпусе.Диаметр вторичного вала производится в двух вариантах и может быть равен 18 мм и 22 мм. Электрические параметры используемых электродвигателей можно просмотреть здесь.
| Модель мотор-редуктора | Выходные обороты | Передаточное число | Крутящий момент | Масса | |||
| Мотор | редуктор | вал | n2 (об/мин) | i | M2 (Нм) | m (кг) | |
| 7IK400W-GH 7IK400W-GH-M | 7GH3K | 18, 22 | - | 500 | 3.0 | 7.0 | Стандарт – 8.8 С тормозом – 9.4 |
| 7GH3.6K | 18, 22 | - | 416 | 3.6 | 8.3 | ||
| 7GH5K | 18, 22 | - | 300 | 5.0 | 11 | ||
| 7GH6K | 18, 22 | - | 250 | 6.0 | 13 | ||
| 7GH7.5K | 18, 22 | - | 200 | 7.5 | 17 | ||
| 7GH9K | 18, 22 | - | 166 | 9.0 | 20 | ||
| 7GH10K | 18, 22 | - | 150 | 10 | 23 | ||
| 7GH12.5K | 18, 22 | - | 120 | 12.5 | 29 | ||
| 7GH15K | 18, 22 | - | 100 | 15 | 34 | ||
| 7GH18K | 18, 22 | - | 83 | 18 | 41 | ||
| 7GH20K | 18, 22 | - | 75 | 20 | 46 | ||
| Стандартная модель. Исполнение вала 1. |
|
| Стандартная модель. Исполнение вала 2. |
|
Если вы хотите купить мини мотор редуктор 7GH3 ... 20 (400 Вaтт) , вы можете:
Позвонить:
Российская Федерация
+7 (495) 369-04-89
+7 (910) 726-725-4 (МТС) Смоленск
info@tech-privod.com
Республика Беларусь
+375 17 272-04-08 (т/ф) Минск
+375 29 61-787-61 (A1) Минск
+7 (495) 369-04-89
+7 (910) 726-725-4 (МТС) Смоленск
info@tech-privod.com
Республика Беларусь
+375 17 272-04-08 (т/ф) Минск
+375 29 61-787-61 (A1) Минск


