Мини мотор редуктор 7GH25 ... 75 (400 Ватт)    Номинальная мощность - 0,4 кВт  Выходные обороты: 20 об/мин ... 60 об/мин
 Номинальная мощность - 0,4 кВт 
 Выходные обороты: 20 об/мин ... 60 об/мин
 Мини мотор редуктор 7GH18 ... 50 с подводимой мощностью четыреста ватт представляет собой универсальный электромеханический узел для получения вращательного момента на конце выходного вала  до 90 Нм из высвободившей энергии редукции входных оборотов. Подключение ведущего электродвигателя осуществляется под напряжение 110 В, 220 В, 380 В, однофазное и трехфазное. Электрические параметры моторов можно изучить по ссылке. Электродвигатель оснащен вентилятором, по запросу может оснащаться клеммной коробкой. Модификации мотора могут включать электромагнитный тормоз (М).
 Мини мотор редуктор 7GH18 ... 50 с подводимой мощностью четыреста ватт представляет собой универсальный электромеханический узел для получения вращательного момента на конце выходного вала  до 90 Нм из высвободившей энергии редукции входных оборотов. Подключение ведущего электродвигателя осуществляется под напряжение 110 В, 220 В, 380 В, однофазное и трехфазное. Электрические параметры моторов можно изучить по ссылке. Электродвигатель оснащен вентилятором, по запросу может оснащаться клеммной коробкой. Модификации мотора могут включать электромагнитный тормоз (М). | Модель мотор-редуктора | Выходные обороты | Передаточное число | Крутящий момент | Масса | |||
| мотор | редуктор | вал | n2 (об/мин) | i | M2 (Нм) | m (кг) | |
|  |  | ||||||
| 7IK400W-GH 7IK400W-GH-M | 7GH25K | 18, 22 | - | 60 | 25 | 50 | Стандарт – 8.8 С тормозом – 9.4 | 
| 7GH30K | 18, 22 | - | 50 | 30 | 61 | ||
| 7GH36K | 18, 22 | - | 41 | 36 | 73 | ||
| 7GH40K | 18, 22 | - | 37 | 40 | 77 | ||
| 7GH50K | 18, 22 | - | 30 | 50 | 78 | ||
| 7GH60K | 18, 22 | - | 25 | 60 | 83 | ||
| 7GH75K | 18, 22 | - | 20 | 75 | 90 | ||
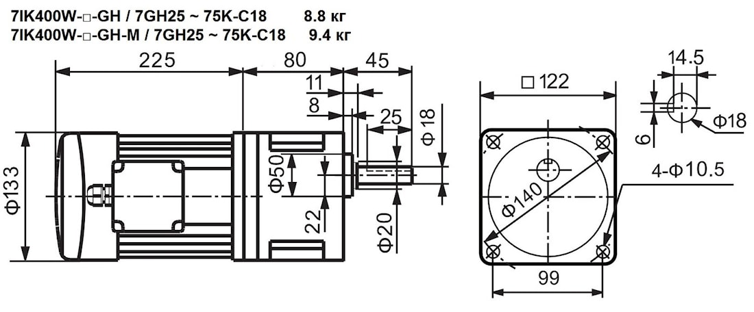
| Стандартная модель. Исполнение вала 1. | 
|   | 
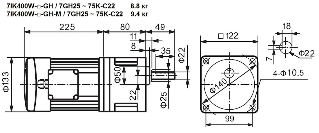
| Стандартная модель. Исполнение вала 2. | 
|   | 
Если вы хотите купить мини мотор редуктор 7GH25 ... 75 (400 Ватт)   , вы можете:
 Позвонить: 
Российская Федерация
+7 (495) 369-04-89
+7 (910) 726-725-4 (МТС) Смоленск
info@tech-privod.com
Республика Беларусь
+375 17 272-04-08 (т/ф) Минск
+375 29 61-787-61 (A1) Минск
+7 (495) 369-04-89
+7 (910) 726-725-4 (МТС) Смоленск
info@tech-privod.com
Республика Беларусь
+375 17 272-04-08 (т/ф) Минск
+375 29 61-787-61 (A1) Минск

 
 
 
 
 
 
