Трехступенчатый редуктор BT0323 i = 9,0 ... 60
i = 9,0 ... 60
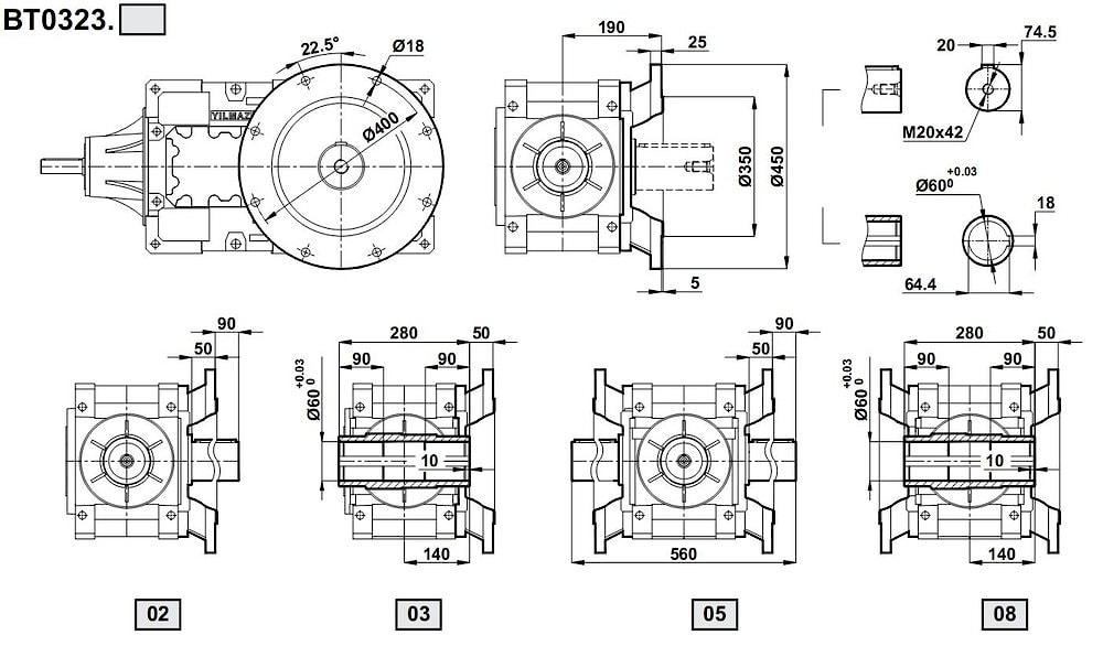
Цилиндро-конический редуктор индустриальной серии BT 0323 -относится к обще промышленным зубчатым трансмиссиям с номинальной передаваемой мощностью до 4,5 кНм , передаточные числа от 9,78 ~ до 59,15, подключаемая мощность к входному валу редуктора: 10 кВт ~ 55 кВт при входных оборотах - 1500 об/мин , 6,7 кВт ~ 36 кВт при входных оборотах - 1000 об/мин , 5,6 кВт ~ 30 кВт при входных оборотах - 750 об/мин , 3,4 кВт ~ 18 кВт при входных оборотах - 500 об/мин, 2,3 кВт ~ 12 кВт при входных оборотах - 300 об/мин .| Номинальный крутящий момент | Передаточное число | Выходные обороты n2 | Номинальная мощность при сервис-факторе fs=1 | Тип | Допустимые радиальные нагрузки на | Вес | |
| n1=1400 | выходящий вал | входящий вал | |||||
| Ma max [Nm] | i | об/мин | kW | kN | kN | кг | |
| 3520 | 9,78 | 143 | 55 | BT0323 | 29 | 8,8 | 175 |
| 3900 | 10,86 | 129 | 55 | 29 | 8,8 | ||
| 4470 | 12,42 | 113 | 55 | 29 | 8,8 | ||
| 4850 | 14,30 | 98 | 52 | 29 | 8,8 | ||
| 4850 | 16,60 | 84 | 45 | 29 | 8,8 | ||
| 4850 | 17,95 | 78 | 41 | 29 | 8,8 | ||
| 4850 | 21,54 | 65 | 34 | 29 | 8,8 | ||
| 4850 | 25,03 | 56 | 30 | 29 | 8,8 | ||
| 3340 | 27,91 | 50 | 18 | 29 | 5,7 | ||
| 3610 | 30,18 | 46 | 19 | 29 | 5,7 | ||
| 4330 | 36,22 | 39 | 19 | 29 | 5,7 | ||
| 4850 | 42,09 | 33 | 18 | 29 | 5,7 | ||
| 4830 | 45,61 | 31 | 17 | 29 | 5,7 | ||
| 4170 | 51,31 | 27 | 13 | 29 | 5,7 | ||
| 3630 | 54,78 | 26 | 10 | 29 | 5,7 | ||
| 3850 | 59,15 | 24 | 10 | 29 | 5,7 | ||

Редуктор ВТ0323 можно расматривать как технический аналог редуктору КЦ2-500 , КЦ 2500 , КЦ2 500 производства Ижевского завода "Редуктор" и завода "Зарем".
Если вы хотите купить трехступенчатый редуктор BT0323 , вы можете:
Позвонить:
Российская Федерация
+7 (495) 369-04-89
+7 (910) 726-725-4 (МТС) Смоленск
info@tech-privod.com
Республика Беларусь
+375 17 272-04-08 (т/ф) Минск
+375 29 61-787-61 (A1) Минск
+7 (495) 369-04-89
+7 (910) 726-725-4 (МТС) Смоленск
info@tech-privod.com
Республика Беларусь
+375 17 272-04-08 (т/ф) Минск
+375 29 61-787-61 (A1) Минск
