Мини мотор редуктор 3GN360 ... 1500XK (15 Ватт) Номинальная мощность - 0,015 кВт Выходные обороты: 1.0 об/мин ... 4.2 об/мин
Номинальная мощность - 0,015 кВт
Выходные обороты: 1.0 об/мин ... 4.2 об/мин
Двухступенчатый компактный привод - 3GN360 ... 1500XK, выпускается со следующими электро-механическими характеристиками:3IK15W - для работ при равномерных режимах,
3RK15W - для прерывистых и краткосрочных режимов эксплуатации
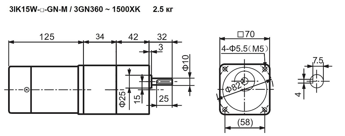
3IK15W-M – оснащённый устройством электромагнитного торможения.
Мощность: 0,015 кВт (15 W).
Напряжение: С1 - 110 B (1 фаза), C2 - 220 B (1 фаза), S2 – 220 В (3 фазы), S3 - 380 В (3 фазы)
Передаточные числа: 360 ... 1500
Температура эксплуатации: -10С ~ +40С
Гарантийные обязательства: 12 месяцев.
Схема подключения
Опции
Условные обозначения
| Модель мотор-редуктора | Выходные обороты | Передаточное число | Крутящий момент | Масса | |||
| мотор | редуктор | вал | n2 (об/мин) | i | M2 (Нм) | m (кг) | |
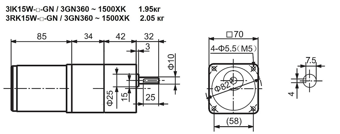
| 3IK15W-GN 3RK15W-GN 3IK15W-GN-M | 3GN360XK | 10 | - | 4.2 | 360 | 5.0 | Стандарт – 1.95 (2.05) С тормозом – 2.5 |
| 3GN400XK | 10 | - | 3.8 | 400 | 5.2 | ||
| 3GN500XK | 10 | - | 3.0 | 500 | 5.4 | ||
| 3GN600XK | 10 | - | 2.5 | 600 | 5.4 | ||
| 3GN750XK | 10 | - | 2.0 | 750 | 5.4 | ||
| 3GN900XK | 10 | - | 1.7 | 900 | 5.6 | ||
| 3GN1000XK | 10 | - | 1.5 | 1000 | 5.6 | ||
| 3GN1200XK | 10 | - | 1.3 | 1200 | 5.8 | ||
| 3GN1500XK | 10 | - | 1.0 | 1500 | 6.0 | ||
| Стандартная модель |
|
| Модель с электромагнитным тормозом |
|
Мини мотор-редукторы марок 3GN360X ~ 3GN1500X можно рассматривать, как полные аналоги следующих моделей: 7GBK__, 7PBK__, 7HBK__, 7GFK__, 7PFK__, 7HFK__, 7GBS__, 7PBS__, 7HBS__, 7GFS__, 7PFS__, 7HFS__, 7GBD__, 7PBD__, 7HBD__, 7GFD__, 7PFD__, 7HFD__ (Корея), MX7G_BA, MX7G_MA, MX7G_B, MX7G_M (Panasonic), 3GN_K (Oriental motor) 70GK__H (Wanshsin)
Если вы хотите купить мини мотор редуктор 3GN360 ... 1500XK (15 Ватт) , вы можете:
Позвонить:
Российская Федерация
+7 (495) 369-04-89
+7 (910) 726-725-4 (МТС) Смоленск
info@tech-privod.com
Республика Беларусь
+375 17 272-04-08 (т/ф) Минск
+375 29 61-787-61 (A1) Минск
+7 (495) 369-04-89
+7 (910) 726-725-4 (МТС) Смоленск
info@tech-privod.com
Республика Беларусь
+375 17 272-04-08 (т/ф) Минск
+375 29 61-787-61 (A1) Минск


