Червячный редуктор EV100    Номинальная мощность - 1,1 кВт  Выходные обороты: 15 об/мин ... 50 об/мин
 Номинальная мощность - 1,1 кВт 
 Выходные обороты: 15 об/мин ... 50 об/мин
 Червячный мотор-редуктор EV100-90L/6 используется в бытовой и промышленных сферах и предназначен для передачи крутящего момента 480 Нм к приводимым устройствам и механизмам с выходными оборотами от 14 об/мин до 45 об/мин. Номинальная мощность электродвигателя - 1,1 кВт.
   Червячный мотор-редуктор EV100-90L/6 используется в бытовой и промышленных сферах и предназначен для передачи крутящего момента 480 Нм к приводимым устройствам и механизмам с выходными оборотами от 14 об/мин до 45 об/мин. Номинальная мощность электродвигателя - 1,1 кВт. В дополнение к представленному приводу предлагается огромное количество адаптивных монтажных принадлежностей: односторонних/двухсторонних выходных валов, крепежных фланцев с нестандартными посадками, специальные диаметры полого вала , реактивных штанг и прочее (см. дополнения).
Корпус редуктора оснащен заливной, мерной и сливной горловинами для своевременной замены смазки.
Гарантийные обязательства - 24 месяца.
Сервис-фактор (fs)
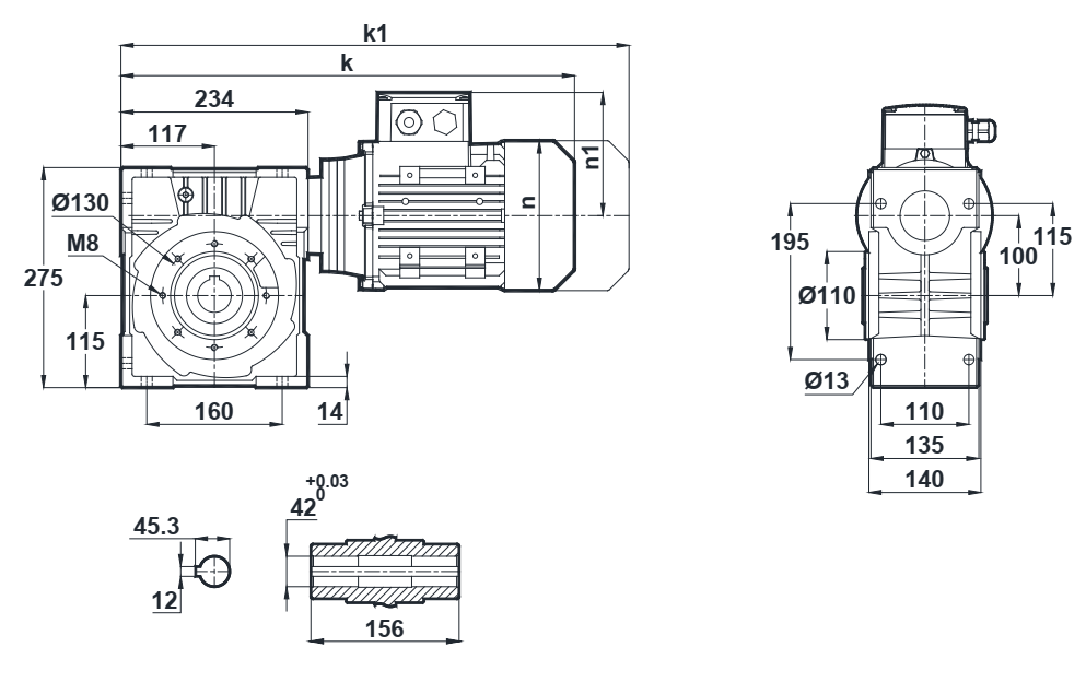
Монтажные исполнения
Исполнение с реактивной штангой
Специальные диаметры валов
Выходные фланцы
Условное обозначение
Каталог E-series
3D модель мотор-редуктора (*.xtp)
| Обороты на выходном валу | Крутящий момент на выходном валу | Передаточное число | Радиальные нагрузки на выходной вал | Сервис фактор | Тип редуктора | Масса | 
| n2 (об/мин-1) | M2 (Нм) | i | Fr (Н) | fs | m (кг) | |
| 14 | 456 | 63 | 7600 | 1,1 | EV100-90L/6 | 45,4 | 
| 17 | 401 | 52 | 7510 | 1,2 | ||
| 23 | 327 | 40 | 7990 | 1,6 | ||
| 30 | 263 | 30 | 8200 | 2,3 | ||
| 35 | 243 | 26 | 8100 | 2,0 | ||
| 45 | 194 | 20 | 7560 | 2,7 | 
 
 Вернуться к выбору мощностей
Червячный мотор-редуктор EV100 - можно рассматривать как: полный аналог червячных редукторов брэндов Motovario (Италия) , Transtecno (Италия) , Innovari (Италия) , Siti (Италия) , STM Spa (Италия) , PGR (Турция) , Tramec (Италия), а также моделей NMRV и RV (многочисленных китайских производителей).
Червячный мотор-редуктор EV100 - можно рассматривать как: технический аналог червячных редукторов таких брэндов , как Bonfiglioli (Италия) , Watt drive (Австрия) , Varvel (Италия) , Nord Getriebebau DriveSystems (Германия) , Sew Eurodrive (Германия) , Bauer Gearmotors (Германия) , Tos-Znojmo (Чехия) .
Червячный редуктор ET100 можно рассматривать как технический аналог: червячных редукторов (производства российских и украинских заводов), червячных редукторов NRV (производства многочисленных китайских производителей).
Если вы хотите купить червячный редуктор EV100   , вы можете:
 Позвонить: 
Российская Федерация
+7 (495) 369-04-89
+7 (910) 726-725-4 (МТС) Смоленск
info@tech-privod.com
Республика Беларусь
+375 17 272-04-08 (т/ф) Минск
+375 29 61-787-61 (A1) Минск
+7 (495) 369-04-89
+7 (910) 726-725-4 (МТС) Смоленск
info@tech-privod.com
Республика Беларусь
+375 17 272-04-08 (т/ф) Минск
+375 29 61-787-61 (A1) Минск

 
 
 
 
 
 
 
 
