Червячный редуктор EV125 Номинальная мощность - 1,1 кВт Выходные обороты: 11 об/мин ... 25 об/мин
Номинальная мощность - 1,1 кВт
Выходные обороты: 11 об/мин ... 25 об/мин

Рациональными передаточными числами для данного габарита считаются i=40 ~ i=100 (согласно оптимальному сервис-фактору).
Следует добавить наличие у привода разнообразных монтажных присоединительных приспособлений: выходные одно/двусторонние валы, стандартные и специальные диаметры полых втулок, крепежные выходные фланцы с различными посадками и прочее.
Гарантия - 24 месяца.
Сервис-фактор (fs)
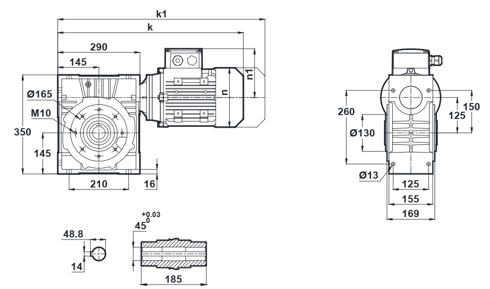
Монтажные исполнения
Исполнение с реактивной штангой
Специальные диаметры валов
Выходные фланцы
Условное обозначение
Каталог E-series
3D модель мотор-редуктора (*.step)
Обороты на выходном валу | Крутящий момент на выходном валу | Передаточное число | Радиальные нагрузки на выходной вал | Сервис фактор | Тип редуктора | Масса |
n2 (об/мин-1) | M2 (Нм) | i | Fr (Н) | fs | m (кг) | |
8,4 | 764 | 107 | 8200 | 0,9 | EV125-90L/6 | 75,9 |
11 | 601 | 83 | 8200 | 1,1 | ||
15 | 470 | 62 | 8200 | 2,0 | ||
17 | 437 | 52 | 8200 | 1,9 | ||
23 | 350 | 40 | 8200 | 2,8 |

Вернуться к выбору мощностей
Червячный мотор-редуктор EV125 - можно рассматривать как: полный аналог червячных редукторов брэндов Motovario (Италия) , Transtecno (Италия) , Innovari (Италия) , Siti (Италия) , STM Spa (Италия) , PGR (Турция) , Tramec (Италия), а также моделей NMRV и RV (многочисленных китайских производителей).
Червячный мотор-редуктор EV125 - можно рассматривать как: технический аналог червячных редукторов таких брэндов , как Bonfiglioli (Италия) , Watt drive (Австрия) , Varvel (Италия) , Nord Getriebebau DriveSystems (Германия) , Sew Eurodrive (Германия) , Bauer Gearmotors (Германия) , Tos-Znojmo (Чехия) .
Червячный редуктор ET125 можно рассматривать как технический аналог: червячных редукторов (производства российских и украинских заводов), червячных редукторов NRV (производства многочисленных китайских производителей).
Если вы хотите купить червячный редуктор EV125 , вы можете:
Позвонить:
Российская Федерация
+7 (495) 369-04-89
+7 (910) 726-725-4 (МТС) Смоленск
info@tech-privod.com
Республика Беларусь
+375 17 272-04-08 (т/ф) Минск
+375 29 61-787-61 (A1) Минск
+7 (495) 369-04-89
+7 (910) 726-725-4 (МТС) Смоленск
info@tech-privod.com
Республика Беларусь
+375 17 272-04-08 (т/ф) Минск
+375 29 61-787-61 (A1) Минск