Цилиндрический редуктор DR572 60 об/мин ... 300 об/мин
60 об/мин ... 300 об/мин
Недорогой цилиндрический моторизированный привод DR572-180M/4 с удобным и компактным параллельным выходом исполнительного вала.Подводимая мощность - 18,5 KW.
Вращательный момент на выходном валу: 500 Нм - 3000 Нм.
Передаточные числа на выбор: i=1:4,3 , i=1:5,0 , i=1:5,6 , i=1:6,5 , i=1:7,5 , i=1:8,6 i=1:10,5 , i=1:12 , i=1:13,6 , i=1:15,7 , i=1:18,2 , i=1:21 , i=1:24 .
Допустимые радиальные нагрузки: 27000 Н.
Гарантия - 24 месяца.
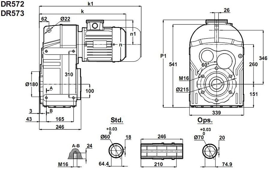
Условное обозначение
Каталог D-series
| Обороты на выходном валу | Крутящий момент на выходном валу | Передаточное число | Радиальные нагрузки на выходной вал | Сервис фактор | Тип редуктора | Масса |
| n2 (об/мин-1) | M2 (Нм) | i | Fr (Н) | fs | m (кг) | |
| 58 | 2929 | 24,02 | 23182 | 1,0 | DR572-180M/4 | 255 |
| 65 | 2613 | 21,40 | 26765 | 1,1 | ||
| 77 | 2224 | 18,23 | 30446 | 1,3 | ||
| 89 | 1914 | 15,67 | 32931 | 1,6 | ||
| 103 | 1663 | 13,60 | 35557 | 1,7 | ||
| 118 | 1456 | 11,89 | 34951 | 1,9 | ||
| 134 | 1281 | 10,45 | 33939 | 2,0 | ||
| 162 | 1058 | 8,65 | 32008 | 1,9 | ||
| 188 | 911 | 7,43 | 30893 | 2,1 | ||
| 217 | 792 | 6,45 | 29852 | 2,2 | ||
| 248 | 693 | 5,64 | 28874 | 2,4 | ||
| 282 | 610 | 4,96 | 27949 | 2,6 | ||
| 320 | 539 | 4,38 | 27067 | 2,7 |

Вернуться к выбору мощностей
Мотор-редуктор DR572 - является полным аналогом мотор-редуктор TNC52/ производства Tos-Znojmo , Чехия ; как технический аналог мотор-редуктор можно рассматривать относительно к моделям MPD125 и MPD125/3 , MPL125 и MPL125/3 / производства Siti , Италия ; S123 / производства Motovario , Италия ; SK5282 /производства Nord , Германия ; F602/ производства Bonfiglioli , Италия , ZF160B и ZF160C / производства Tramec , Италия .
Редуктор DT572 является аналогом редукторов PD125- , PD125/3 производства Siti / Италия ; ZA160B , ZA160C производства Tramec / Италия.
Если вы хотите купить цилиндрический редуктор DR572 , вы можете:
Позвонить:
Российская Федерация
+7 (495) 369-04-89
+7 (910) 726-725-4 (МТС) Смоленск
info@tech-privod.com
Республика Беларусь
+375 17 272-04-08 (т/ф) Минск
+375 29 61-787-61 (A1) Минск
+7 (495) 369-04-89
+7 (910) 726-725-4 (МТС) Смоленск
info@tech-privod.com
Республика Беларусь
+375 17 272-04-08 (т/ф) Минск
+375 29 61-787-61 (A1) Минск
