Цилиндрический редуктор DR873 15 об/мин ... 50 об/мин
15 об/мин ... 50 об/мин
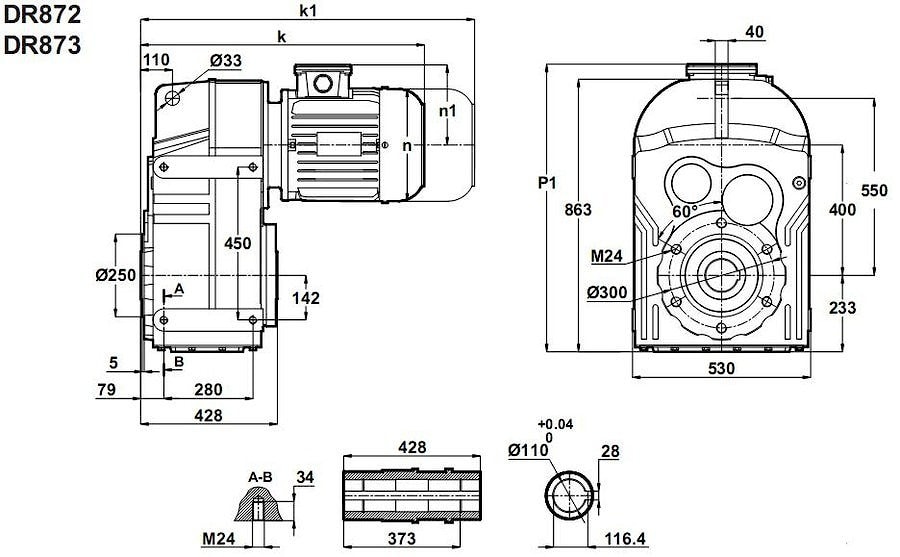
Механизм для преобразования высокой угловой скорости в крутящий момент на выходе - цилиндрический моторредуктор с параллельными валами DR873-180M/4: на входе моторная установка эквивалентной мощности 18,5 кВт или 25,0 HP, на выходе вращательное передаваемое усилие: 4000 Нм - 12000 Нм, получаемая скорость на конце тихоходного вала: 12 об/мин - 46 об/мин.Допустимые радиальные нагрузки: 90000 Н.
Всесторонние пространственные расположения: М1 , М2 , М3 , М4 , М5 , М6.
Гарантия - 2 года.
Условное обозначение
Каталог D-series
| Обороты на выходном валу | Крутящий момент на выходном валу | Передаточное число | Радиальные нагрузки на выходной вал | Сервис фактор | Тип редуктора | Масса |
| n2 (об/мин-1) | M2 (Нм) | i | Fr (Н) | fs | m (кг) | |
| 12 | 13759 | 115,03 | 72484 | 0,9 | DR873-180M/4 | 569 |
| 14 | 12075 | 101,03 | 81738 | 1,1 | ||
| 16 | 10529 | 87,95 | 88950 | 1,2 | ||
| 18 | 9275 | 77,36 | 93973 | 1,4 | ||
| 20 | 8237 | 68,62 | 97933 | 1,6 | ||
| 23 | 7364 | 61,27 | 100913 | 1,8 | ||
| 25 | 6619 | 55,01 | 103286 | 2,0 | ||
| 27 | 6245 | 51,94 | 104422 | 2,1 | ||
| 31 | 5467 | 45,41 | 106673 | 2,4 | ||
| 35 | 4812 | 39,92 | 108454 | 2,7 | ||
| 40 | 4254 | 35,24 | 109894 | 3,1 | ||
| 46 | 3683 | 30,50 | 111291 | 3,5 |

Вернуться к выбору мощностей
Мотор редуктор DR873 можно использовать как технический аналог к мотор редуктору SK8382/ выпускаемых NORD, Германия; мотор-редуктору F904/ производства Bonfiglioli , Италия.
Если вы хотите купить цилиндрический редуктор DR873 , вы можете:
Позвонить:
Российская Федерация
+7 (495) 369-04-89
+7 (910) 726-725-4 (МТС) Смоленск
info@tech-privod.com
Республика Беларусь
+375 17 272-04-08 (т/ф) Минск
+375 29 61-787-61 (A1) Минск
+7 (495) 369-04-89
+7 (910) 726-725-4 (МТС) Смоленск
info@tech-privod.com
Республика Беларусь
+375 17 272-04-08 (т/ф) Минск
+375 29 61-787-61 (A1) Минск
