Цилиндрический редуктор DR773 20 об/мин ... 60 об/мин
20 об/мин ... 60 об/мин
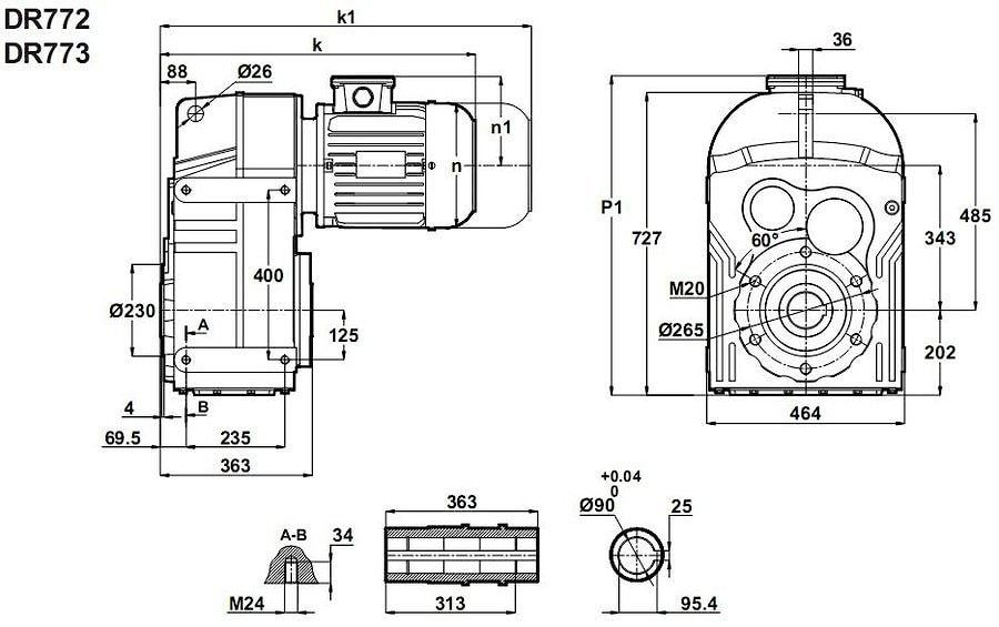
Моторредуктор DR773-180M/4 - технологический узел полноценного приводного трансмиссионного механизма для универсального и обще промышленного предназначения по передаче вращательного усилия исполнительным устройствам.Электродвигатель эквивалентной мощностью порядка 18,5 KW.
Получаемый момент на конце выходного вала - 3000 нм - 8000 нм.
Большой ряд передаточных соотношений: i=24 , i= 27 , i= 31 , i= 33 , i= 37 , i= 41 , i= 47 , i= 54 , i= 62 , i= 64 , i= 72 , i= 81 .
Гарантийные обязательства: 24 месяца.
Условное обозначение
Каталог D-series
| Обороты на выходном валу | Крутящий момент на выходном валу | Передаточное число | Радиальные нагрузки на выходной вал | Сервис фактор | Тип редуктора | Масса |
| n2 (об/мин-1) | M2 (Нм) | i | Fr (Н) | fs | m (кг) | |
| 17 | 9784 | 81,72 | 39795 | 0,8 | DR773-180M/4 | 405 |
| 19 | 8690 | 72,50 | 50267 | 0,9 | ||
| 22 | 7757 | 64,64 | 57288 | 1,0 | ||
| 22 | 7473 | 62,33 | 59181 | 1,1 | ||
| 26 | 6483 | 53,99 | 65129 | 1,2 | ||
| 30 | 5649 | 46,99 | 69362 | 1,4 | ||
| 33 | 5043 | 41,85 | 72340 | 1,6 | ||
| 38 | 4480 | 37,12 | 70733 | 1,8 | ||
| 42 | 3999 | 33,10 | 69075 | 2,0 | ||
| 44 | 3853 | 31,92 | 68543 | 2,1 | ||
| 51 | 3342 | 27,65 | 66423 | 2,4 | ||
| 58 | 2913 | 24,06 | 64354 | 2,7 |

Вернуться к выбору мощностей
Мотор-редуктор DR773 - как технический аналог мотор-редуктор можно рассматривать относительно к моделям MPD160 и MPD160/3/ производства Siti, Италия; SK7382 /производства Nord , Германия; F803 / производства Bonfiglioli, Италия, ZF200B и ZF200C / производства Tramec , Италия .
Редуктор DT773 является аналогом редукторов PD160-, PD160/3- производства Siti / Италия; ZA200B, ZA200C производства Tramec/ Италия .
Если вы хотите купить цилиндрический редуктор DR773 , вы можете:
Позвонить:
Российская Федерация
+7 (495) 369-04-89
+7 (910) 726-725-4 (МТС) Смоленск
info@tech-privod.com
Республика Беларусь
+375 17 272-04-08 (т/ф) Минск
+375 29 61-787-61 (A1) Минск
+7 (495) 369-04-89
+7 (910) 726-725-4 (МТС) Смоленск
info@tech-privod.com
Республика Беларусь
+375 17 272-04-08 (т/ф) Минск
+375 29 61-787-61 (A1) Минск
