Цилиндрический редуктор DR973 9,0 об/мин ... 30 об/мин
9,0 об/мин ... 30 об/мин

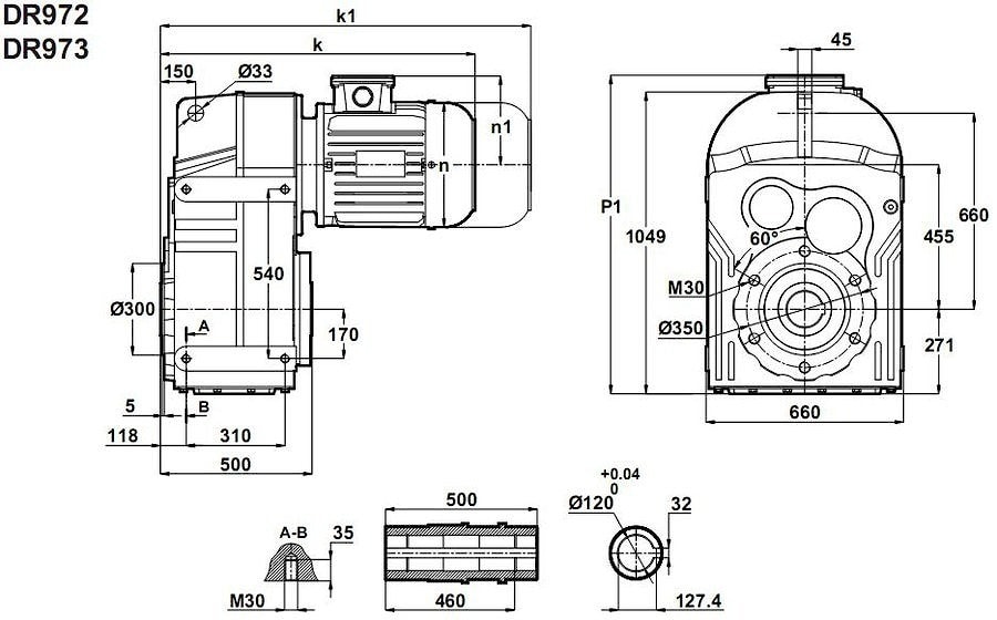
Мотор редуктор DR973-180M/4
Зацепление: цилиндрическое
Тип выхода: с параллельным валом
Подводимый электродвигатель: 18,5 KW
Крутящий момент: 6000 - 18000 ньютонов/метр
Скорость выходного вала: 8.2 - 32 оборотов/минуту
Исполнение: полым валом, выходным фланцем, цельный вал, с зажимным устройством, с использованием реактивной штанги, с приставкой для смесителей и т.д.
Условное обозначение
Каталог D-series
Обороты на выходном валу | Крутящий момент на выходном валу | Передаточное число | Радиальные нагрузки на выходной вал | Сервис фактор | Тип редуктора | Масса |
n2 (об/мин-1) | M2 (Нм) | i | Fr (Н) | fs | m (кг) | |
8,2 | 20416 | 171,00 | 193316 | 0,9 | DR973-180M/4 | 865 |
9,1 | 18391 | 153,87 | 192047 | 1,0 | ||
10 | 16270 | 136,23 | 187634 | 1,1 | ||
12 | 14252 | 119,15 | 182617 | 1,3 | ||
13 | 12616 | 105,33 | 177894 | 1,4 | ||
15 | 11261 | 93,91 | 173444 | 1,6 | ||
17 | 10122 | 84,31 | 169240 | 1,8 | ||
19 | 8631 | 71,87 | 163006 | 2,1 | ||
22 | 7619 | 63,36 | 158105 | 2,4 | ||
25 | 6768 | 56,21 | 153488 | 2,7 | ||
32 | 5235 | 43,38 | 143688 | 3,4 |

Вернуться к выбору мощностей
Мотор редуктор DR973 можно использовать как технический аналог к мотор редуктору SK9382 выпускаемых NORD, Германия.
Если вы хотите купить цилиндрический редуктор DR973 , вы можете:
Позвонить:
Российская Федерация
+7 (495) 369-04-89
+7 (910) 726-725-4 (МТС) Смоленск
info@tech-privod.com
Республика Беларусь
+375 17 272-04-08 (т/ф) Минск
+375 29 61-787-61 (A1) Минск
+7 (495) 369-04-89
+7 (910) 726-725-4 (МТС) Смоленск
info@tech-privod.com
Республика Беларусь
+375 17 272-04-08 (т/ф) Минск
+375 29 61-787-61 (A1) Минск