Цилиндрический редуктор DR572 и DR573 60 об/мин ... 300 об/мин
60 об/мин ... 300 об/мин
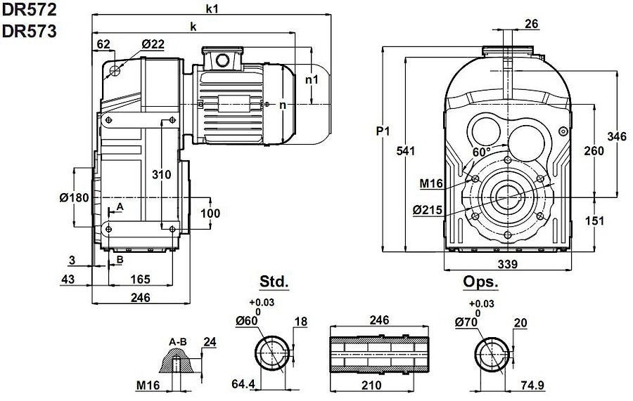
Цилиндрический мотор редуктор с параллельными осями DR572-160L/4 и DR573-160L/4 - трансмиссионное устройство, которое призвано преобразовывать высокую механическую угловую скорость, получаемую на входе (от пятнадцати кило ваттного асинхронного электрического двигателя переменного тока: 15*3000 , 15*1500 , 15*1000 , 15*750) в мощное устойчивое крутящее усилие на тихоходном валу: 500 нм ~ 2500 нм.Редуктор имеет одно единственное передаточное число из ряда: 1/4,3 , 1/5,0 , 1/5,6 , 1/6,4 , 1/7,4 , 1/8,6 , 1/10,4 , 1/12 , 1/ 13,6 , 1/ 15,6 , 1/ 18,2 , 1/ 21 , 1/ 24 , 1/ 28 , 1/ 33 .
Условное обозначение
Каталог D-series
| Обороты на выходном валу | Крутящий момент на выходном валу | Передаточное число | Радиальные нагрузки на выходной вал | Сервис фактор | Тип редуктора | Масса |
| n2 (об/мин-1) | M2 (Нм) | i | Fr (Н) | fs | m (кг) | |
| 42 | 3255 | 33,28 | 22125 | 0,8 | DR573-160L/4 | 281 |
| 49 | 2781 | 28,39 | 29032 | 0,9 | ||
| 58 | 2375 | 24,02 | 29121 | 1,3 | DR572-160L/4 | 231 |
| 65 | 2118 | 21,40 | 31351 | 1,4 | ||
| 77 | 1803 | 18,23 | 33703 | 1,7 | ||
| 89 | 1552 | 15,67 | 35463 | 1,9 | ||
| 103 | 1349 | 13,60 | 36822 | 2,1 | ||
| 118 | 1180 | 11,89 | 35666 | 2,3 | ||
| 134 | 1039 | 10,45 | 34565 | 2,5 | ||
| 162 | 858 | 8,65 | 32610 | 2,4 | ||
| 188 | 739 | 7,43 | 31408 | 2,6 | ||
| 217 | 642 | 6,45 | 30298 | 2,8 | ||
| 248 | 562 | 5,64 | 29262 | 3,0 | ||
| 282 | 494 | 4,96 | 28289 | 3,2 | ||
| 320 | 437 | 4,38 | 27367 | 3,4 |

Вернуться к выбору мощностей
Мотор-редуктор DR572 и DR573 - является полным аналогом мотор-редуктор TNC52 и TNC53 / производства Tos-Znojmo , Чехия ; как технический аналог мотор-редуктор можно рассматривать относительно к моделям MPD125 и MPD125/3 , MPL125 и MPL125/3 / производства Siti , Италия ; S122 и S123 / производства Motovario , Италия ; SK5282 и SK5382 /производства Nord , Германия ; F602 и F603 / производства Bonfiglioli , Италия , ZF160B и ZF160C / производства Tramec , Италия .
Редуктор DT572 и DT573 является аналогом редукторов PD125- , PD125/3 производства Siti / Италия ; ZA160B , ZA160C производства Tramec / Италия .
Если вы хотите купить цилиндрический редуктор DR572 и DR573 , вы можете:
Позвонить:
Российская Федерация
+7 (495) 369-04-89
+7 (910) 726-725-4 (МТС) Смоленск
info@tech-privod.com
Республика Беларусь
+375 17 272-04-08 (т/ф) Минск
+375 29 61-787-61 (A1) Минск
+7 (495) 369-04-89
+7 (910) 726-725-4 (МТС) Смоленск
info@tech-privod.com
Республика Беларусь
+375 17 272-04-08 (т/ф) Минск
+375 29 61-787-61 (A1) Минск
Ещё из раздела Цилиндрические мотор-редукторы — 15кВт
Цилиндрический редуктор DR773
Номинальная мощность - 15кВт
Выходные обороты: 20 об/мин ... 60 об/мин
Цилиндрический моторредуктор с параллельными валами (редуктор насадного типа, плоские мотор редукторы , торцевые приводы , вертикальные редукторы , редукторы с полой втулкой и т.д.) DR773-160L/4 - механический шестереночный трансмиссионный узел с ...
