Цилиндрический редуктор DR773 20 об/мин ... 60 об/мин
20 об/мин ... 60 об/мин
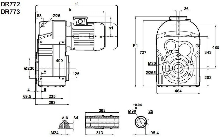
Цилиндрический моторредуктор с параллельными валами (редуктор насадного типа, плоские мотор редукторы , торцевые приводы , вертикальные редукторы , редукторы с полой втулкой и т.д.) DR773-160L/4 - механический шестереночный трансмиссионный узел с электроприводом мощностью 15 кВт на входе - 15KW/3000 , 15KW/1500 , 15KW/1000 , 15KW/750 .Предлагаемые передаточные числа: i=1/24 , i=1/28 , i=1/32 , i=1/33 , i=1/37 , i=1/42 , i=1/47 , i=1/54 , i=1/62 , i=1/65 , i=1/72 , i=1/81 , i=1/92 , i=1/106 .
Гарантия - 24 месяца.
Условное обозначение
Каталог D-series
| Обороты на выходном валу | Крутящий момент на выходном валу | Передаточное число | Радиальные нагрузки на выходной вал | Сервис фактор | Тип редуктора | Масса |
| n2 (об/мин-1) | M2 (Нм) | i | Fr (Н) | fs | m (кг) | |
| 13 | 10262 | 105,99 | 34026 | 0,8 | DR773-160L/4 | 381 |
| 15 | 8987 | 92,70 | 47452 | 0,9 | ||
| 17 | 7933 | 81,72 | 56059 | 1,0 | ||
| 19 | 7045 | 72,50 | 61852 | 1,1 | ||
| 22 | 6289 | 64,64 | 66172 | 1,3 | ||
| 22 | 6059 | 62,33 | 67360 | 1,3 | ||
| 26 | 5256 | 53,99 | 71370 | 1,5 | ||
| 30 | 4580 | 46,99 | 74352 | 1,7 | ||
| 33 | 4089 | 41,85 | 74534 | 2,0 | ||
| 38 | 3632 | 37,12 | 72597 | 2,2 | ||
| 42 | 3242 | 33,10 | 70729 | 2,5 | ||
| 44 | 3124 | 31,92 | 70136 | 2,6 | ||
| 51 | 2710 | 27,65 | 67795 | 3,0 | ||
| 58 | 2361 | 24,06 | 65542 | 3,4 |

Вернуться к выбору мощностей
Мотор-редуктор DR773 - как технический аналог мотор-редуктор можно рассматривать относительно к моделям MPD160 и MPD160/3/ производства Siti, Италия; SK7382 /производства Nord , Германия; F803 / производства Bonfiglioli, Италия, ZF200B и ZF200C / производства Tramec , Италия .
Редуктор DT773 является аналогом редукторов PD160-, PD160/3- производства Siti / Италия; ZA200B, ZA200C производства Tramec/ Италия .
Если вы хотите купить цилиндрический редуктор DR773 , вы можете:
Позвонить:
Российская Федерация
+7 (495) 369-04-89
+7 (910) 726-725-4 (МТС) Смоленск
info@tech-privod.com
Республика Беларусь
+375 17 272-04-08 (т/ф) Минск
+375 29 61-787-61 (A1) Минск
+7 (495) 369-04-89
+7 (910) 726-725-4 (МТС) Смоленск
info@tech-privod.com
Республика Беларусь
+375 17 272-04-08 (т/ф) Минск
+375 29 61-787-61 (A1) Минск
