Цилиндрический редуктор DR973 6,0 об/мин ... 25 об/мин
6,0 об/мин ... 25 об/мин
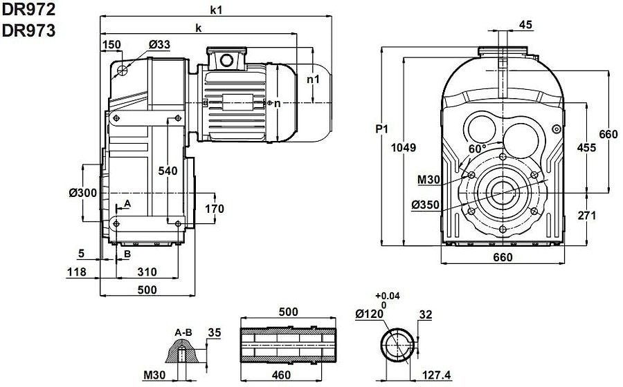
Мощный многопрофильный промышленный мотор-редукторDR973-160L/4 и DR973-180L/6 предназначен для достижения крутящего момента на тихоходном валу: 5000 - 20000 ньютонов/метр от подводимого электропривода номинальной мощностью - 15 киловатт 380В.
Значения трансмиссионных передаточных делителей: i=56 , i=63 , i=71 , i=84 , i=94 , i=105 , i=119 , i= 136 , i=153 , i=171 , i=191 .
Допустимые радиальные нагрузки: 18500 Н.
Стандартная полая втулка d=120мм. Возможна адаптация крепежных размеров под заказ.
Условное обозначение
Каталог D-series
| Обороты на выходном валу | Крутящий момент на выходном валу | Передаточное число | Радиальные нагрузки на выходной вал | Сервис фактор | Тип редуктора | Масса |
| n2 (об/мин-1) | M2 (Нм) | i | Fr (Н) | fs | m (кг) | |
| 5,8 | 23111 | 153,87 | 183781 | 0,8 | DR973-180L/6 | 895 |
| 6,6 | 20444 | 136,23 | 193222 | 0,9 | ||
| 7,3 | 18537 | 191,74 | 198917 | 1,0 | DR973-160L/4 | 841 |
| 8,2 | 16552 | 171,00 | 202357 | 1,1 | ||
| 9,1 | 14910 | 153,87 | 197981 | 1,2 | ||
| 10 | 13191 | 136,23 | 192854 | 1,4 | ||
| 12 | 11555 | 119,15 | 187152 | 1,6 | ||
| 13 | 10228 | 105,33 | 181881 | 1,8 | ||
| 15 | 9130 | 93,91 | 176981 | 2,0 | ||
| 17 | 8207 | 84,31 | 172402 | 2,2 | ||
| 19 | 6998 | 71,87 | 165686 | 2,6 | ||
| 22 | 6177 | 63,36 | 160459 | 2,9 | ||
| 25 | 5487 | 56,21 | 155568 | 3,3 |

Вернуться к выбору мощностей
Мотор редуктор DR973 можно использовать как технический аналог к мотор редуктору SK9382 выпускаемых NORD, Германия.
Если вы хотите купить цилиндрический редуктор DR973 , вы можете:
Позвонить:
Российская Федерация
+7 (495) 369-04-89
+7 (910) 726-725-4 (МТС) Смоленск
info@tech-privod.com
Республика Беларусь
+375 17 272-04-08 (т/ф) Минск
+375 29 61-787-61 (A1) Минск
+7 (495) 369-04-89
+7 (910) 726-725-4 (МТС) Смоленск
info@tech-privod.com
Республика Беларусь
+375 17 272-04-08 (т/ф) Минск
+375 29 61-787-61 (A1) Минск
Ещё из раздела Цилиндрические мотор-редукторы — 15кВт
Цилиндрический редуктор DR773
Номинальная мощность - 15кВт
Выходные обороты: 20 об/мин ... 60 об/мин
Цилиндрический моторредуктор с параллельными валами (редуктор насадного типа, плоские мотор редукторы , торцевые приводы , вертикальные редукторы , редукторы с полой втулкой и т.д.) DR773-160L/4 - механический шестереночный трансмиссионный узел с ...
