Цилиндрический редуктор DR873 10 об/мин ... 40 об/мин
10 об/мин ... 40 об/мин
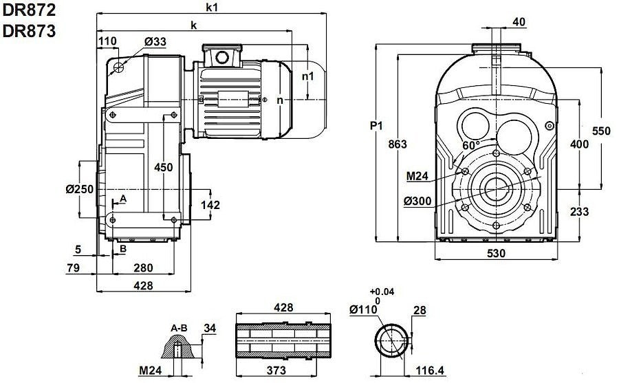
Мотор-редуктор цилиндрический с параллельным выходным валом DR873-160L/4 - компактный механизм, три ступени по парных ведомых и ведущих шестерен, объеденных в монолитный чугунный корпус, подключаемый двигатель - 15 кВт, вращательно передаваемые моменты - 4000 Nm - 12000 Nm.Расчетная скорость тихоходного исполнительного вала: 11 об/мин - 40 об/мин.
Исполнение редуктора: с полым валом, с полнотелым валом, с крепежным фланцем, крепление - реакционным кронштейном, насадка для смесителей - для удержания более высоких радиальных нагрузок.
Условное обозначение
Каталог D-series
| Обороты на выходном валу | Крутящий момент на выходном валу | Передаточное число | Радиальные нагрузки на выходной вал | Сервис фактор | Тип редуктора | Масса |
| n2 (об/мин-1) | M2 (Нм) | i | Fr (Н) | fs | m (кг) | |
| 11 | 12417 | 128,2 | 79994 | 1,0 | DR873-160L/4 | 545 |
| 12 | 11155 | 115,03 | 86100 | 1,2 | ||
| 14 | 9790 | 101,03 | 91991 | 1,3 | ||
| 16 | 8536 | 87,95 | 96859 | 1,5 | ||
| 18 | 7519 | 77,36 | 100398 | 1,7 | ||
| 20 | 6678 | 68,62 | 103104 | 1,9 | ||
| 23 | 5970 | 61,27 | 105236 | 2,2 | ||
| 25 | 5366 | 55,01 | 106955 | 2,4 | ||
| 27 | 5063 | 51,94 | 107784 | 2,6 | ||
| 31 | 4432 | 45,41 | 109442 | 2,9 | ||
| 35 | 3902 | 39,92 | 110768 | 3,3 | ||
| 40 | 3449 | 35,24 | 112004 | 3,8 |

Вернуться к выбору мощностей
Мотор редуктор DR873 можно использовать как технический аналог к мотор редуктору SK8382/ выпускаемых NORD, Германия; мотор-редуктору F904/ производства Bonfiglioli , Италия.
Если вы хотите купить цилиндрический редуктор DR873 , вы можете:
Позвонить:
Российская Федерация
+7 (495) 369-04-89
+7 (910) 726-725-4 (МТС) Смоленск
info@tech-privod.com
Республика Беларусь
+375 17 272-04-08 (т/ф) Минск
+375 29 61-787-61 (A1) Минск
+7 (495) 369-04-89
+7 (910) 726-725-4 (МТС) Смоленск
info@tech-privod.com
Республика Беларусь
+375 17 272-04-08 (т/ф) Минск
+375 29 61-787-61 (A1) Минск
