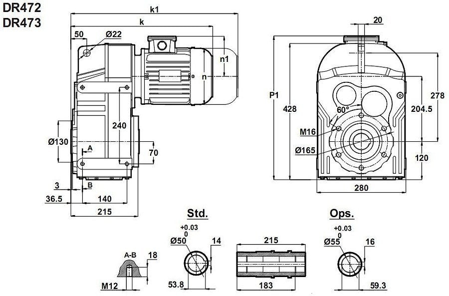
Цилиндрический редуктор DR472 и DR473    50 об/мин ... 600 об/мин
 50 об/мин ... 600 об/мин
 Цилиндрический мотор редуктор с параллельным выходным валом DR472-132S/4 (двухступенчатый с входным мотором мощностью 5,5 кВт / 4 полюса) DR473-132S/4 (трех ступенчатый с входным мотором мощностью 5,5 кВт / 4 полюса) DR472-132S/2a (двухступенчатый с входным мотором мощностью 5,5 кВт / 2 полюса).
   Цилиндрический мотор редуктор с параллельным выходным валом DR472-132S/4 (двухступенчатый с входным мотором мощностью 5,5 кВт / 4 полюса) DR473-132S/4 (трех ступенчатый с входным мотором мощностью 5,5 кВт / 4 полюса) DR472-132S/2a (двухступенчатый с входным мотором мощностью 5,5 кВт / 2 полюса).Крутящее передаваемое усилие к приводным устройством: 160 - 1200 ньютонов/метр.
Скорость оборотов выходного вала: 30 - 625 оборотов / минуту.
Условное обозначение
Каталог D-series
| Обороты на выходном валу | Крутящий момент на выходном валу | Передаточное число | Радиальные нагрузки на выходной вал | Сервис фактор | Тип редуктора | Масса | 
| n2 (об/мин-1) | M2 (Нм) | i | Fr (Н) | fs | m (кг) | |
| 30 | 1690 | 47,37 | 17710 | 0,8 | DR473-132S/4 | 135 | 
| 34 | 1482 | 41,50 | 20613 | 0,9 | ||
| 41 | 1226 | 34,28 | 23467 | 1,0 | ||
| 49 | 1020 | 28,45 | 25430 | 1,1 | ||
| 57 | 888 | 24,54 | 23473 | 1,7 | DR472-132S/4 | 129 | 
| 67 | 752 | 20,74 | 24446 | 2,1 | ||
| 73 | 692 | 19,11 | 24856 | 2,2 | ||
| 82 | 617 | 17,01 | 24924 | 2,5 | ||
| 93 | 545 | 15,02 | 24176 | 2,8 | ||
| 105 | 485 | 13,35 | 23475 | 3,2 | ||
| 113 | 450 | 12,40 | 23039 | 3,4 | ||
| 134 | 381 | 10,48 | 22061 | 4,1 | ||
| 157 | 324 | 8,93 | 21149 | 4,5 | ||
| 186 | 274 | 7,54 | 20094 | 4,3 | ||
| 209 | 244 | 6,71 | 19474 | 4,6 | ||
| 225 | 226 | 6,23 | 19092 | 4,7 | ||
| 266 | 191 | 5,26 | 18240 | 5,2 | ||
| 312 | 163 | 4,48 | 17453 | 5,6 | ||
| 371 | 137 | 7,54 | 16638 | 7,1 | DR472-132S/2a | 125 | 
| 418 | 122 | 6,71 | 16099 | 7,6 | ||
| 450 | 113 | 6,23 | 15768 | 7,8 | ||
| 532 | 95 | 5,26 | 15035 | 8,4 | ||
| 625 | 81 | 4,48 | 14362 | 9,2 | 

Вернуться к выбору мощностей
Мотор-редуктор DR472 и DR473 - является полным аналогом мотор-редуктор TNC42 и TNC43 / производства Tos-Znojmo , Чехия ; как технический аналог мотор-редуктор можно рассматривать к моделям MPD100 и MPD100/3 / производства Siti , Италия ; S102 и S103 / производства Motovario , Италия ; SK4282 и SK4382 /производства Nord , Германия ; F512 и F513 / производства Bonfiglioli , Италия , ZF125B и ZF125C / производства Tramec , Италия .
Редуктор DT472 и DT473 является аналогом редукторов PL100- , PL100/3 производства Siti / Италия ; ZA125B , ZA125C производства Tramec / Италия .
Если вы хотите купить цилиндрический редуктор DR472 и DR473   , вы можете:
 Позвонить: 
Российская Федерация
+7 (495) 369-04-89
+7 (910) 726-725-4 (МТС) Смоленск
info@tech-privod.com
Республика Беларусь
+375 17 272-04-08 (т/ф) Минск
+375 29 61-787-61 (A1) Минск
+7 (495) 369-04-89
+7 (910) 726-725-4 (МТС) Смоленск
info@tech-privod.com
Республика Беларусь
+375 17 272-04-08 (т/ф) Минск
+375 29 61-787-61 (A1) Минск

 
 
 
 
 
