Цилиндрический редуктор DR673 15 об/мин ... 40 об/мин
15 об/мин ... 40 об/мин
Многофункциональный трансмиссионный моторизированный передаточный механизм DR673-132S/4 представляет собой цилиндрический мотор-редуктор с параллельными осями с подключенным электро двигательная установка эквивалентной мощностью 5,5 кВт.Получаемая скорость оборачиваемости тихоходного вала: от 10 об/мин ~ 41 об/мин.
Крутящие момент, достигаемом на исполнительном валу, в зависимости от выбираемого передаточного числа: 1400 Нм - 4500 Нм.
Гарантийные обязательства распространяются 24 месяца.
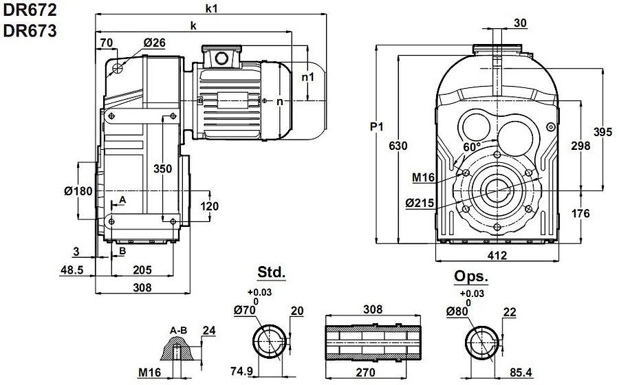
Условное обозначение
Каталог D-series
| Обороты на выходном валу | Крутящий момент на выходном валу | Передаточное число | Радиальные нагрузки на выходной вал | Сервис фактор | Тип редуктора | Масса |
| n2 (об/мин-1) | M2 (Нм) | i | Fr (Н) | fs | m (кг) | |
| 10 | 4950 | 139,76 | 21058 | 0,9 | DR673-132S/4 | 240 |
| 11 | 4415 | 124,53 | 28257 | 1,0 | ||
| 13 | 3759 | 106,08 | 34681 | 1,1 | ||
| 15 | 3236 | 91,19 | 38741 | 1,3 | ||
| 18 | 2812 | 79,14 | 41607 | 1,5 | ||
| 20 | 2462 | 69,18 | 43700 | 1,7 | ||
| 23 | 2167 | 60,82 | 45300 | 2,0 | ||
| 24 | 2113 | 59,34 | 45580 | 2,0 | ||
| 27 | 1820 | 51,01 | 47012 | 2,4 | ||
| 32 | 1581 | 44,27 | 48169 | 2,7 | ||
| 36 | 1384 | 38,7 | 49030 | 3,1 | ||
| 41 | 1219 | 34,02 | 49718 | 3,5 |

Вернуться к выбору мощностей
Мотор-редуктор DR673 - как технический аналог мотор-редуктор можно рассматривать относительно к моделям MPD160 и MPD160/3 , MPL160 и MPL160/3 / производства Siti, Италия; SK6382 /производства Nord , Германия; F703/ производства Bonfiglioli, Италия, ZF180B и ZF180C / производства Tramec, Италия .
Редуктор DT673 является аналогом редукторов ZA160B, ZA160C производства Tramec/ Италия .
Если вы хотите купить цилиндрический редуктор DR673 , вы можете:
Позвонить:
Российская Федерация
+7 (495) 369-04-89
+7 (910) 726-725-4 (МТС) Смоленск
info@tech-privod.com
Республика Беларусь
+375 17 272-04-08 (т/ф) Минск
+375 29 61-787-61 (A1) Минск
+7 (495) 369-04-89
+7 (910) 726-725-4 (МТС) Смоленск
info@tech-privod.com
Республика Беларусь
+375 17 272-04-08 (т/ф) Минск
+375 29 61-787-61 (A1) Минск
