Цилиндрический редуктор DR572 и DR573 20 об/мин ... 80 об/мин
20 об/мин ... 80 об/мин
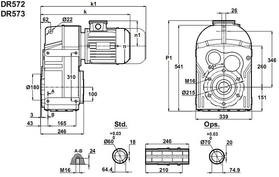
Мотор-редуктор DR572-132S/4 и DR573-132S/4 - цилиндрический трансмиссионный привод с подключенным двигателем эквивалентной мощностью - 5,5 кВт ( а это 5,5/3000 , 5,5/1500 , 5,5/1000 , 5,5/ 750,) и чугунный литой корпус коробки передач, в котором заключены ряд совмещаемый ведомых и ведущих шестерен, которые располагаются таким образом, что исходящий вращающий момент на конце выходного вала: 800 - 2800 ньютонов на метр , обороты выходного вала: 14 об/мин - 77 об/мин.Расположение мотор-редукторов: М1 , М2 , М3 , М4 , М5 , М6.
Гарантия - 24 месяцев.
Условное обозначение
Каталог D-series
| Обороты на выходном валу | Крутящий момент на выходном валу | Передаточное число | Радиальные нагрузки на выходной вал | Сервис фактор | Тип редуктора | Масса |
| n2 (об/мин-1) | M2 (Нм) | i | Fr (Н) | fs | m (кг) | |
| 14 | 3667 | 103,39 | 8259 | 0,8 | DR573-132S/4 | 187 |
| 15 | 3242 | 91,30 | 18548 | 0,9 | ||
| 17 | 2885 | 81,15 | 23671 | 1,0 | ||
| 20 | 2444 | 68,64 | 28476 | 1,2 | ||
| 23 | 2179 | 61,12 | 30824 | 1,4 | DR573-132S/4 | 187 |
| 28 | 1788 | 50,13 | 33863 | 1,7 | ||
| 32 | 1581 | 44,27 | 35245 | 1,9 | ||
| 36 | 1407 | 39,35 | 36885 | 2,1 | ||
| 42 | 1192 | 33,28 | 38919 | 2,3 | ||
| 49 | 1045 | 28,87 | 38389 | 2,9 | DR572-132S/4 | 180 |
| 58 | 870 | 24,02 | 39310 | 3,4 | ||
| 65 | 776 | 21,40 | 39754 | 3,9 | ||
| 77 | 660 | 18,23 | 40302 | 4,5 |

Вернуться к выбору мощностей
Мотор-редуктор DR572 и DR573 - является полным аналогом мотор-редуктор TNC52 и TNC53 / производства Tos-Znojmo , Чехия ; как технический аналог мотор-редуктор можно рассматривать относительно к моделям MPD125 и MPD125/3 , MPL125 и MPL125/3 / производства Siti , Италия ; S122 и S123 / производства Motovario , Италия ; SK5282 и SK5382 /производства Nord , Германия ; F602 и F603 / производства Bonfiglioli , Италия , ZF160B и ZF160C / производства Tramec , Италия .
Редуктор DT572 и DT573 является аналогом редукторов PD125- , PD125/3 производства Siti / Италия ; ZA160B , ZA160C производства Tramec / Италия .
Если вы хотите купить цилиндрический редуктор DR572 и DR573 , вы можете:
Позвонить:
Российская Федерация
+7 (495) 369-04-89
+7 (910) 726-725-4 (МТС) Смоленск
info@tech-privod.com
Республика Беларусь
+375 17 272-04-08 (т/ф) Минск
+375 29 61-787-61 (A1) Минск
+7 (495) 369-04-89
+7 (910) 726-725-4 (МТС) Смоленск
info@tech-privod.com
Республика Беларусь
+375 17 272-04-08 (т/ф) Минск
+375 29 61-787-61 (A1) Минск
