Цилиндрический редуктор DR773 7,0 об/мин ... 20 об/мин
7,0 об/мин ... 20 об/мин
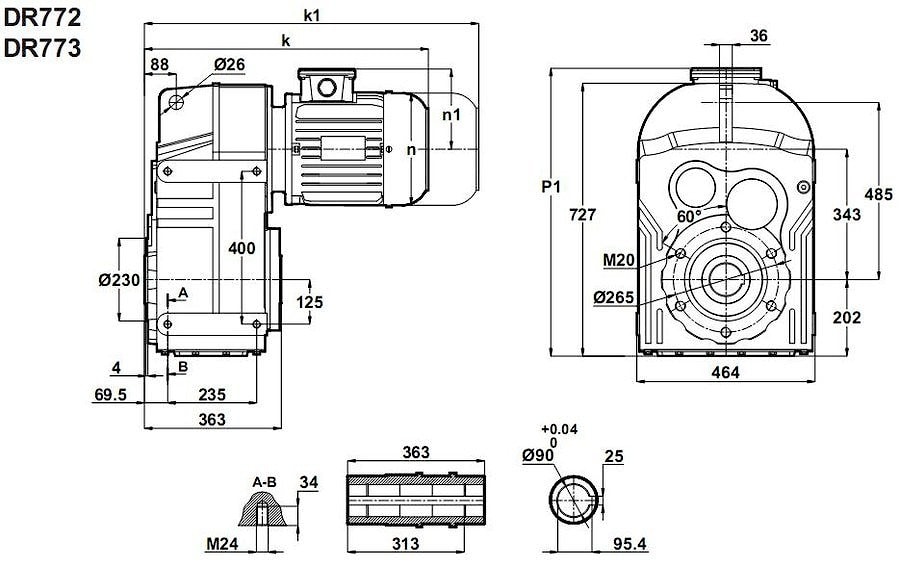
Спецификация продукта:Маркировка: DR773-132S/4 и DR773-132M/6b
Тип зубчатой передачи: цилиндрический
Исполнение: параллельным валом
Подключаемый мотор: 5,5/3000 , 5,5/1500 , 5,5/1000 ,5,5/750
Передаваемое усилие: 3000 Nm - 7800 Nm
Рассчитан для скоростных характеристик: 4,7 об/мин - 19 об/мин
Допустимые радиальные нагрузки на исполнительный вал: 60000 N
Гарантия: 2 года.
Условное обозначение
Каталог D-series
| Обороты на выходном валу | Крутящий момент на выходном валу | Передаточное число | Радиальные нагрузки на выходной вал | Сервис фактор | Тип редуктора | Масса |
| n2 (об/мин-1) | M2 (Нм) | i | Fr (Н) | fs | m (кг) | |
| 4,7 | 10435 | 190,20 | 31825 | 0,8 | DR773-132M/6b | 320 |
| 5,7 | 8684 | 158,23 | 50316 | 0,9 | ||
| 6,3 | 7851 | 222,16 | 56633 | 1,0 | DR773-132S/4 | 330 |
| 7,4 | 6731 | 190,20 | 63736 | 1,2 | ||
| 8,8 | 5602 | 158,23 | 69724 | 1,4 | ||
| 9,9 | 5017 | 141,55 | 72454 | 1,6 | ||
| 11 | 4335 | 122,41 | 75361 | 1,8 | ||
| 13 | 3760 | 105,99 | 77606 | 2,1 | ||
| 15 | 3293 | 92,70 | 79295 | 2,4 | ||
| 17 | 2906 | 81,72 | 80610 | 2,8 | ||
| 19 | 2581 | 72,50 | 81661 | 3,1 |

Вернуться к выбору мощностей
Мотор-редуктор DR773 - как технический аналог мотор-редуктор можно рассматривать относительно к моделям MPD160 и MPD160/3/ производства Siti, Италия; SK7382 /производства Nord , Германия; F803 / производства Bonfiglioli, Италия, ZF200B и ZF200C / производства Tramec , Италия .
Редуктор DT773 является аналогом редукторов PD160-, PD160/3- производства Siti / Италия; ZA200B, ZA200C производства Tramec/ Италия .
Если вы хотите купить цилиндрический редуктор DR773 , вы можете:
Позвонить:
Российская Федерация
+7 (495) 369-04-89
+7 (910) 726-725-4 (МТС) Смоленск
info@tech-privod.com
Республика Беларусь
+375 17 272-04-08 (т/ф) Минск
+375 29 61-787-61 (A1) Минск
+7 (495) 369-04-89
+7 (910) 726-725-4 (МТС) Смоленск
info@tech-privod.com
Республика Беларусь
+375 17 272-04-08 (т/ф) Минск
+375 29 61-787-61 (A1) Минск
