Цилиндрический редуктор DR172 и DR173 10 об/мин ... 300 об/мин
10 об/мин ... 300 об/мин
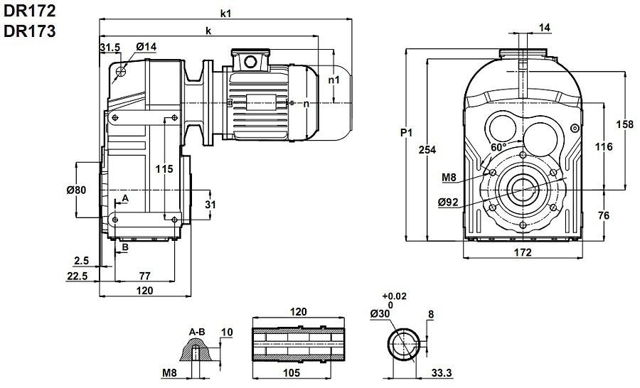
Двухступенчатые и трехступенчатые мотор-редукторы с параллельными выходными валами DR172-63/4a и DR173-63/4a.Номинальная мощность 120W (0,12кВт).
Огромный ряд передаточных отношений: u=4,8, u= 5,8, u= 6,7, u= 7,7, u= 9,5, u= 11,5, u= 13, u= 15, u= 17, u= 19, u=21, u= 25, u= 29, u= 31,5, u= 37,75, u= 44, u= 47, u= 52, u=60, u= 72, u= 85, u= 91, u= 103, u= 120, u= 143.
Монтажные пространственные расположения: М1, М2, М3, М4, М5, М6.
Условное обозначение
Каталог D-series
| Обороты на выходном валу | Крутящий момент на выходном валу | Передаточное число | Радиальные нагрузки на выходной вал | Сервис фактор | Тип редуктора | Масса |
| n2 (об/мин-1) | M2 (Нм) | i | Fr (Н) | fs | m (кг) | |
| 9,8 | 107 | 142,89 | 7015 | 1,9 | DR173-63/4a | 20 |
| 12 | 91 | 120,64 | 7216 | 2,2 | ||
| 14 | 78 | 103,34 | 7351 | 2,6 | ||
| 15 | 69 | 91,25 | 7457 | 2,9 | ||
| 16 | 64 | 85,23 | 7331 | 3,1 | ||
| 19 | 54 | 72,04 | 6974 | 3,7 | ||
| 23 | 45 | 60,16 | 6605 | 4,4 | ||
| 27 | 39 | 51,88 | 6313 | 5,1 | ||
| 29 | 36 | 47,81 | 6157 | 5,5 | ||
| 31 | 34 | 44,66 | 6028 | 5,9 | ||
| 37 | 29 | 37,75 | 5721 | 7,0 | ||
| 44 | 24 | 31,52 | 5407 | 8,4 | ||
| 47 | 23 | 29,67 | 5305 | 8,8 | DR172-63/4a | 19 |
| 55 | 19 | 25,24 | 5041 | 10,3 | ||
| 64 | 17 | 21,79 | 4811 | 12,0 | ||
| 74 | 15 | 19,04 | 4607 | 13,7 | ||
| 78 | 14 | 17,86 | 4514 | 14,6 | ||
| 92 | 12 | 15,18 | 4285 | 17,2 | ||
| 106 | 10 | 13,19 | 4094 | 19,8 | ||
| 121 | 9 | 11,54 | 3921 | 22,7 | ||
| 147 | 7 | 9,54 | 3687 | 27,5 | ||
| 181 | 6 | 7,74 | 3440 | 30,6 | ||
| 208 | 5 | 6,72 | 3286 | 33,4 | ||
| 238 | 4 | 5,88 | 3146 | 36,0 | ||
| 288 | 4 | 4,86 | 2956 | 39,6 |

Вернуться к выбору мощностей
Мотор-редуктор DR172 и DR173 - является полным аналогом мотор-редукторов TNC12 и TNC13 , TNC 12 и TNC 13 , TN C12 и TN C 13 (производства Tos-Znojmo / Чехия) ; как технический аналог мотор-редуктор можно рассматривать маркам м/редукторов MPL63 и MPL63/3 , MPL 63 и MPL 63 3 , M PL 63 и M PL63 3 (производства Siti /Италия) ; моторредукторов S052 и S053 , S 052 и S 05 3 , S 05 2 и S 053 (производства Motovario /Италия) ; редукторов SK1282 и SK1382NB , SK 1282 и SK 1382NB , S K 12 82 и SK 1382 NB (производства Nord /Германия) ; мотор-редукторов F202 и F203 , F 20 2 и F 20 3 , F20 2 и F20 3 (производства Bonfiglioli /Италия). Редуктор DT172 и DT173 является аналогом редукторов PL63 , PL63/3 , PL 63 , PL 63 3 , P L 63 , PL 63-3 (прои зводства Siti /Италия).
Если вы хотите купить цилиндрический редуктор DR172 и DR173 , вы можете:
Позвонить:
Российская Федерация
+7 (495) 369-04-89
+7 (910) 726-725-4 (МТС) Смоленск
info@tech-privod.com
Республика Беларусь
+375 17 272-04-08 (т/ф) Минск
+375 29 61-787-61 (A1) Минск
+7 (495) 369-04-89
+7 (910) 726-725-4 (МТС) Смоленск
info@tech-privod.com
Республика Беларусь
+375 17 272-04-08 (т/ф) Минск
+375 29 61-787-61 (A1) Минск
