Цилиндрический редуктор DR375 и DR376 1,0 об/мин ... 4,0 об/мин
1,0 об/мин ... 4,0 об/мин
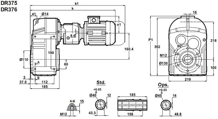
Цилиндрический редуктор с параллельными валами производится под маркой DT376 и DT375 (редукторный механизм с входным валом) и мотор редуктор с параллельными валами марок DR376-63/4а и DR375-63/4a (редукторный механизм в жесткой сцепке с электромотором 0,12кВт).Набор передаточных чисел: i= 380, i= 440, i= 520, i= 570, i= 660, i= 780, i= 930, i= 1050, i= 1190, i= 1270, i= 1480, i= 1640.
Радиальные нагрузки на выходные валы: 15000Nm. Для увеличения этого параметра используют экструдерную приставку.
Условное обозначение
Каталог D-series
| Обороты на выходном валу | Крутящий момент на выходном валу | Передаточное число | Радиальные нагрузки на выходной вал | Сервис фактор | Тип редуктора | Масса |
| n2 (об/мин-1) | M2 (Нм) | i | Fr (Н) | fs | m (кг) | |
| 0,85 | 1047 | 1639,97 | 7303 | 0,8 | DR376-63/4а | 79 |
| 0,9 | 948 | 1484,14 | 9701 | 0,9 | ||
| 1,1 | 811 | 1272,49 | 12104 | 1,0 | ||
| 1,2 | 773 | 1188,10 | 12660 | 1,1 | DR375-63/4a | 78 |
| 1,3 | 688 | 1053,09 | 13782 | 1,2 | ||
| 1,5 | 609 | 930,99 | 14704 | 1,3 | ||
| 1,8 | 513 | 783,07 | 15689 | 1,6 | ||
| 2,1 | 436 | 665,75 | 16385 | 1,9 | ||
| 2,5 | 374 | 570,43 | 16902 | 2,2 | ||
| 2,7 | 339 | 516,22 | 17177 | 2,4 | ||
| 3,2 | 290 | 442,60 | 17536 | 2,8 | ||
| 3,7 | 249 | 378,91 | 17822 | 3,3 |

Если вы хотите купить цилиндрический редуктор DR375 и DR376 , вы можете:
Позвонить:
Российская Федерация
+7 (495) 369-04-89
+7 (910) 726-725-4 (МТС) Смоленск
info@tech-privod.com
Республика Беларусь
+375 17 272-04-08 (т/ф) Минск
+375 29 61-787-61 (A1) Минск
+7 (495) 369-04-89
+7 (910) 726-725-4 (МТС) Смоленск
info@tech-privod.com
Республика Беларусь
+375 17 272-04-08 (т/ф) Минск
+375 29 61-787-61 (A1) Минск
