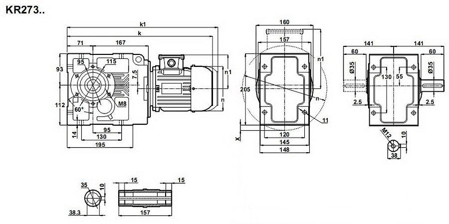
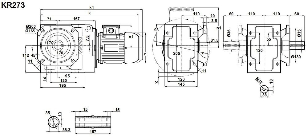
Конические редукторы KR273 70 об/мин... 400 об/мин
70 об/мин... 400 об/мин
Достаточно распространенная модель конического редукторного механизма, созданного для моторной установки мощностью 4,0 лошадиных сил - трех ступенчатый мотор-редуктор KR273-100L/2 и KR273-100L/4b.Асинхронный электродвигатель переменного тока -3,0/3000, 3,0/1500, 3,0/900, 3,0/750.
Широкий ряд передаточных чисел: i=6.0 - i=20.
Номинальный крутящий момент трансмиссионной части - 390 Nm.
Предельные радиальные нагрузки на конец выходного вала - 5000N.
Условное обозначение
Каталог K-series
| Обороты на выходном валу | Крутящий момент на выходном валу | Передаточное число | Радиальные нагрузки на выходной вал | Сервис фактор | Тип редуктора | Масса |
| n2 (об/мин-1) | M2 (Нм) | i | Fr (Н) | fs | m (кг) | |
| 46 | 586 | 30,48 | 5205 | 0,8 | KR273-100L/4b | 49 |
| 55 | 492 | 25,55 | 5371 | 0,9 | ||
| 61 | 444 | 23,08 | 5427 | 0,9 | ||
| 73 | 367 | 19,08 | 5469 | 1,1 | ||
| 88 | 306 | 15,92 | 5445 | 1,2 | ||
| 105 | 257 | 13,34 | 5376 | 1,4 | ||
| 117 | 231 | 12,00 | 5039 | 1,1 | ||
| 141 | 191 | 9,92 | 4955 | 1,3 | ||
| 169 | 159 | 8,28 | 4843 | 1,4 | ||
| 202 | 133 | 6,94 | 4713 | 1,6 | ||
| 117 | 231 | 12,00 | 5039 | 1,1 | ||
| 141 | 191 | 9,92 | 4955 | 1,3 | ||
| 169 | 159 | 8,28 | 4843 | 1,4 | ||
| 202 | 133 | 6,94 | 4713 | 1,6 | ||
| 210 | 128 | 13,34 | 5376 | 2,3 | KR273-100L/2 | 45,5 |
| 233 | 115 | 12,00 | 5039 | 1,9 | ||
| 282 | 95 | 9,92 | 4955 | 2,2 | ||
| 338 | 80 | 8,28 | 4844 | 2,5 | ||
| 404 | 67 | 6,94 | 4713 | 2,8 |


Вернуться к выбору мощностей
Мотор-редуктор KR273 - является полным аналогом мотор-редуктора КТМ33 и МВН63 (производства Tos-Znoimo (Чешская Республика) и Siti (Италия) , анагогами ( с приближенными размерностями ) мотор-редукторов ТС90В , ТF90В (производитель -Tramec (Италия)) , мотор-редукторов А 35 2 и А 35 3 , А 30 2 и А 30 3 от Bonfiglioli (Италия), B063 , BA72 , BA73 (производства Motovario (Италия), техническими заменителями мотор-редукторов SK92772 , SK92772 VF , SK92772 AX , SK9012.1 , SK9012.1 VF , SK9012.1 AX , SK9016.1 , SK9016.1 VF , SK9016.1 AX(производства NORD (Германия)).
Редуктор КТ273 можно использовать как аналог редуктора ВН63 производства Siti (Италия), и аналог привода ТА90В , производимого Tramec (Италия)
Если вы хотите купить конические редукторы KR273 , вы можете:
Позвонить:
Российская Федерация
+7 (495) 369-04-89
+7 (910) 726-725-4 (МТС) Смоленск
info@tech-privod.com
Республика Беларусь
+375 17 272-04-08 (т/ф) Минск
+375 29 61-787-61 (A1) Минск
+7 (495) 369-04-89
+7 (910) 726-725-4 (МТС) Смоленск
info@tech-privod.com
Республика Беларусь
+375 17 272-04-08 (т/ф) Минск
+375 29 61-787-61 (A1) Минск
