Конические редукторы KR673 7,0 об/мин... 20 об/мин
7,0 об/мин... 20 об/мин
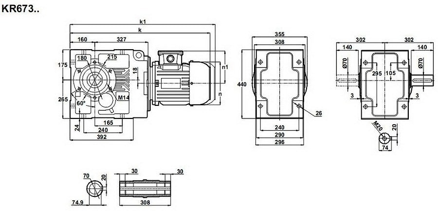
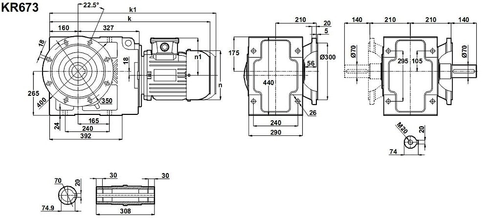
Механической трансмиссией промышленного назначения является мотор-редуктор KR673-132S/6.Двигатель переменного тока или постоянного тока, серводвигатель, ВОМ автотехники в эквиваленте 3,0 кВт доводится до трехступенчатого конического редуктора с широким диапазоном передаточных чисел i= 45 - i= 130, с
номинальной передаваемой мощность до 2900 Н*м.
Допустимые радиальные нагрузки на выходные валы - 42000 Н.
Гарантийные обязательства - 24 месяца.
Условное обозначение
Каталог K-series
| Обороты на выходном валу | Крутящий момент на выходном валу | Передаточное число | Радиальные нагрузки на выходной вал | Сервис фактор | Тип редуктора | Масса |
| n2 (об/мин-1) | M2 (Нм) | i | Fr (Н) | fs | m (кг) | |
| 7,0 | 4082 | 128,24 | 35127 | 1,1 | KR673-132S/6 | 270 |
| 8,9 | 3212 | 100,90 | 40945 | 1,3 | ||
| 10 | 2872 | 90,21 | 42864 | 1,5 | ||
| 11 | 2559 | 80,38 | 44482 | 1,7 | ||
| 13 | 2180 | 68,47 | 46275 | 2,0 | ||
| 15 | 1874 | 58,86 | 47602 | 2,3 | ||
| 18 | 1626 | 51,08 | 48604 | 2,6 | ||
| 20 | 1421 | 44,65 | 49385 | 3,0 |


Вернуться к выбору мощностей
Мотор-редуктор KR673 - полный аналог мотор-редуктора B143 (от Motovario (Италия)) , МВН140 (Siti (Италия) мотор-редукторов SK9052.1 , SK9052.1 VF , SK9052.1 AZ (Nord (Германия), можно рассматривать как технический аналог мотор-редукторов марок ТС180В , TF180В (марки от Tramec (Италия)) VF210 , A703 (производства Bonfiglioli (Италия)).
Редуктор КТ673 можно рассматривать как аналогичный редуктору КЦ2-500 российского производства , редуктора ТА180В, ТС180В , ТF180В , производимого Tramec (Италия), аналог редуктора RT180A и RТ180A-FF производства Tos-Znojmo (Чехия), технический аналог редукторам ВН140, МВН140, произведенных под маркой Siti (Италия) и технический аналог редукторам КЦ1-300 , КЦ2-160Н производителя "Зарем"
Если вы хотите купить конические редукторы KR673 , вы можете:
Позвонить:
Российская Федерация
+7 (495) 369-04-89
+7 (910) 726-725-4 (МТС) Смоленск
info@tech-privod.com
Республика Беларусь
+375 17 272-04-08 (т/ф) Минск
+375 29 61-787-61 (A1) Минск
+7 (495) 369-04-89
+7 (910) 726-725-4 (МТС) Смоленск
info@tech-privod.com
Республика Беларусь
+375 17 272-04-08 (т/ф) Минск
+375 29 61-787-61 (A1) Минск
