Конические редукторы KR373 30 об/мин... 100 об/мин
30 об/мин... 100 об/мин
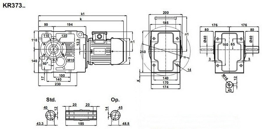
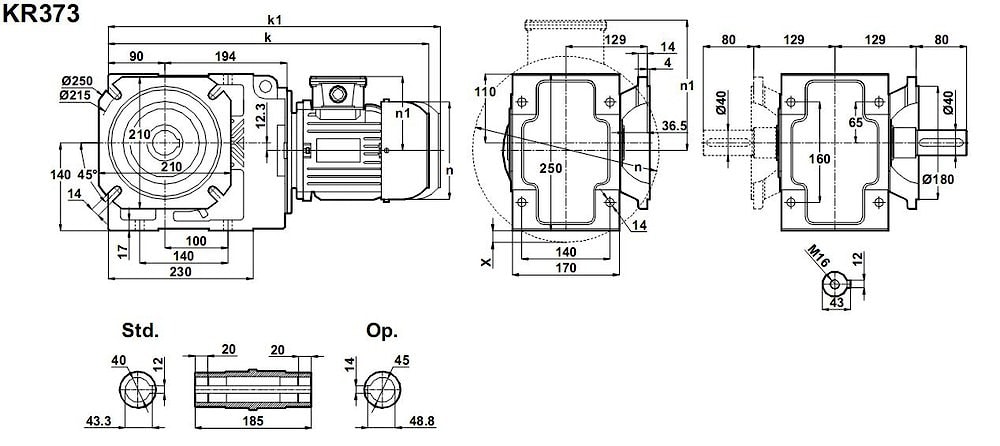
Средне оборотистый редукторный механизм с конической ступенью в составе, для пере направления подводимого вращающего момента в другую плоскость под углом 90 гр., относительно энергетической установки номинальной мощностью 3,0 кВт - выпускается мотор-редуктор KR373-100L/4b. Привод служит для достижения крутящего момента на выходном валу 300 ~ 800 Н*м., и получения при этом скорости вращения выходного вала 27 об/мин - 97 об/мин, значение допустимых радиальных нагрузок - 12000 Н.Гарантия распространяется на два года.
Условное обозначение
Каталог K-series
| Обороты на выходном валу | Крутящий момент на выходном валу | Передаточное число | Радиальные нагрузки на выходной вал | Сервис фактор | Тип редуктора | Масса |
| n2 (об/мин-1) | M2 (Нм) | i | Fr (Н) | fs | m (кг) | |
| 27 | 982 | 51,05 | 7811 | 0,8 | KR373-100L/4b | 58 |
| 32 | 835 | 43,4 | 10186 | 1,0 | ||
| 38 | 715 | 37,19 | 11642 | 1,1 | ||
| 42 | 647 | 33,65 | 12336 | 1,3 | ||
| 49 | 555 | 28,85 | 13213 | 1,5 | ||
| 57 | 475 | 24,72 | 13859 | 1,7 | ||
| 64 | 421 | 21,9 | 14262 | 1,9 | ||
| 75 | 358 | 18,62 | 14712 | 2,3 | ||
| 88 | 307 | 15,96 | 15065 | 2,7 | ||
| 97 | 278 | 14,44 | 15227 | 3,0 |


Вернуться к выбору мощностей
Мотор-редуктор KR373 - является полным аналогом мотор-редуктора КТМ43 и МВН80 (производства Tos-Znoimo (Чешская Республика) и Siti (Италия) , анагогами, с приближенными размерностями, мотор-редукторов ТС112В , ТF112В (производитель -Tramec (Италия)) , мотор-редукторов А 41 2 и А 41 3 от Bonfiglioli (Италия), тенхническими заменителями мотор-редукторов SK9022.1 , SK9022.1 , SK9022.1 AZ (производства NORD (Германия)), В083 (от Motovario).
Редуктор КТ373 можно использовать как аналогичный (приближенный к присоеденительным размерам) редуктору КЦ1-200 российского производства , привода ТА90В (производимого Tramec (Италия)), технический аналог редукторам ВН80 (произведенных под маркой Siti (Италия)).
Если вы хотите купить конические редукторы KR373 , вы можете:
Позвонить:
Российская Федерация
+7 (495) 369-04-89
+7 (910) 726-725-4 (МТС) Смоленск
info@tech-privod.com
Республика Беларусь
+375 17 272-04-08 (т/ф) Минск
+375 29 61-787-61 (A1) Минск
+7 (495) 369-04-89
+7 (910) 726-725-4 (МТС) Смоленск
info@tech-privod.com
Республика Беларусь
+375 17 272-04-08 (т/ф) Минск
+375 29 61-787-61 (A1) Минск
