Конические редукторы KR773 8,0 об/мин... 12 об/мин
8,0 об/мин... 12 об/мин
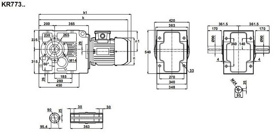
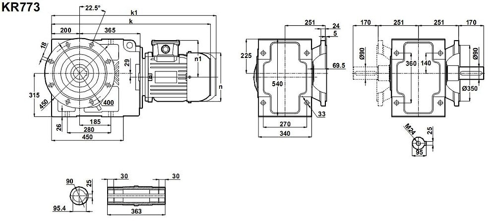
Мощнейшее механическое устройство для доведения вращательного передаваемого момента 2500 Nm - 3500 Nm от обще промышленного электропривода мощностью равной 3,0 киловатта или 4,0 л.с. до приводимого агрегата - коническо-цилиндрический мотор-редуктор KR773-132S/6.Предлагаемые номинальные передаточные числа i=80, i=90, i=100, i=110.
Надежный редукторный механизм, прочный литой чугунный корпус, дополнительные крепежные опции, масса эксплуатационных достоинств.
Условное обозначение
Каталог K-series
| Обороты на выходном валу | Крутящий момент на выходном валу | Передаточное число | Радиальные нагрузки на выходной вал | Сервис фактор | Тип редуктора | Масса |
| n2 (об/мин-1) | M2 (Нм) | i | Fr (Н) | fs | m (кг) | |
| 8,1 | 3554 | 111,63 | 84587 | 2,3 | KR773-132S/6 | 426 |
| 9,1 | 3152 | 99,00 | 84204 | 2,5 | ||
| 10 | 2819 | 88,57 | 81900 | 2,8 | ||
| 12 | 2438 | 76,59 | 78935 | 3,3 |


Вернуться к выбору мощностей
Мотор-редуктор KR773 - полный аналог мотор-редуктора B153 (от Motovario (Италия)) , МВН160 (Siti (Италия) мотор-редукторов SK9062.1 , SK9062.1 VF , SK9062.1 AZ (Nord (Германия), можно рассматривать как технический аналог мотор-редукторов марок ТС225В , TF225В ТС200В , TF200В (марки от Tramec (Италия)) VF250 , A803 (производства Bonfiglioli (Италия)). Редуктор КТ773 можно рассматривать как аналогичный редукторам КЦ1-400 , КЦ2-750 (российского производства), редуктора ТА200В, ТА225В (производимого Tramec (Италия)), технический аналог редукторам ВН160 (произведенных под маркой Siti (Италия)) и технический аналог редукторам КЦ2-200Н (производителя "Зарем").
Если вы хотите купить конические редукторы KR773 , вы можете:
Позвонить:
Российская Федерация
+7 (495) 369-04-89
+7 (910) 726-725-4 (МТС) Смоленск
info@tech-privod.com
Республика Беларусь
+375 17 272-04-08 (т/ф) Минск
+375 29 61-787-61 (A1) Минск
+7 (495) 369-04-89
+7 (910) 726-725-4 (МТС) Смоленск
info@tech-privod.com
Республика Беларусь
+375 17 272-04-08 (т/ф) Минск
+375 29 61-787-61 (A1) Минск
